Medium
Tank T6

Medium Tank T6
США
Средний танк
|
27,2 т |
|
|
вооружение |
75-мм орудие 5 пулеметов |
|
экипаж |
5 чел. |
|
мощность силовой установки |
340 л.с. |
|
проект |
1940-1941гг., Aberdeen Proving Ground, Rock Island Arsenal |
|
выпускался |
1941г., Aberdeen Proving Ground 1 шт. опытный |
Основная статья: Американское танкостроение 1938-1942гг.
В начале проектных работ по среднему танку
Medium M3 (Рис.1), его концепция, представленная 26 августа 1940г. на макете,
вызвала сожаления военных по поводу расположения главного калибра танка в
боковом спонсоне.

Рис.1 – Макет танка Medium M3.
Размещение основного орудия в каземате с
правого борта ограничивало сектор обстрела 75-мм орудия – всего 32° по
горизонту. Военные все же рассчитывали увидеть 75-мм орудие в башне с круговым
обстрелом. Технический штаб Комитета
по вооружению (Ordnance Committee, Technical Staff) подчеркнул, что следующим шагом в разработке будет «модификация
среднего танка М3» путем «переноса 75-мм пушки в башню». Уже 31 августа
1940г. Комитет по вооружениям (как указывают некоторые, по настоянию Барнса)
запустил проектные работы по танку с вращающейся башней и пушкой калибра 75 мм
– так началась история, пожалуй, самого известного и заслуженного американского
танка Medium M4 Sherman. Имя Sherman или General Sherman танк М4 получил от британцев в честь энергичного
генерала армии северян, известного как рядом военных побед, так и активным
применением тактики «выжженной земли» на территории южан. (Рис.2)

Рис.2 – William Tecumseh Sherman, 1820-1891гг.
Следует заметить, что название Sherman прижилось в американской среде не сразу - к концу
1944г. В Британии это имя было официальным.
Всего было произведено почти 50 000
машин этого типа, точнее 49234 шт. (по другим данным, 47 098 шт. или 49422
шт.), в строю некоторых армий срок их службы достигнет 30 лет.


Рис.3
– Деревянный макет перспективного среднего танка с пушечным вооружением во
вращающейся башне.
Как видим, в качестве базы машины
просматривается шасси Medium М2/M3, и
это не случайно. Еще с осени 1940г. в Канаде британскими и американскими
специалистами разрабатывался средний танк с расположением главного
артиллерийского калибра во вращающейся башне на базе Medium M3. Оставалось лишь
доработать существующий задел. Уже на данной стадии проектирования появилась в дальнейшем
классическая для американских танков схема размещения экипажа: 2
человека в отделении управления (водитель и его помощник), еще 3 в башне –
наводчик справа, заряжающий слева, командир с правой стороны за наводчиком.
18 апреля 1941г. на конференции в APG (Абердинский полигон) были
подтверждены основные характеристики новой конструкции. Базовое шасси M3 должно
было быть сохранено, включая нижнюю часть корпуса, двигатель (Wright
(Continental) R975),
коробку передач и главную передачу, подвеску и гусеницы. Правда, говорят, что в качестве силовой установки предлагался более мощный
мотор Wright
R-1820 Cyclone, но решили не тратить время на внесение необходимых изменений в
конструкцию. Двумя основными причинами сохранения базы M2/M3
были простота перехода на производственных линиях с M3 на новый танк и то, что
размеры шасси M2/М3 уже были разработаны с учетом массовой транспортировки.
Оригинальный M2 был построен для установки на железнодорожную платформу
стандартной колеи. К тому времени стало уже очевидно, что американские танки
будут вести боевые действия не в континентальной части Соединенных Штатов,
поэтому приоритет был отдан серийным танкам, которые можно было бы перевозить
через океаны с минимальными изменениями в существующей транспортной
инфраструктуре.
Рассматривалось два варианта изготовления новой верхней части корпуса
танка. Один вариант – путем отливки единого элемента; другой – методом сварки
броневых листов.
Было
рассчитано, что диаметр кольца башни (диаметр башенного погона в свету) должен
составлять 69 дюймов (1752,6 мм). Максимальная толщина брони в лобовой части
танка предполагалась 3 дюйма (76,2 мм). В передней части корпуса сохранялись
управляемые водителем спаренные пулеметы винтовочного калибра, но требовалось
добавить справа такой пулемет и для помощника водителя. На бортах корпуса
должны размещаться два аварийных люка (по одному с каждой стороны), чтобы дать
экипажу возможность экстренно покинуть поврежденную машину. Кроме того,
предусматривались люки: в крыше корпуса (на левой стороне, над водителем), в
башне и в полу танка за сиденьем помощника водителя.
Хотя на
представленном выше макете в башне танка очевидна комбинация 75-мм и 37-мм орудия, рассматривалось еще
несколько вариантов: (1) одна 75-мм (2,95 дюйма) пушка М2 со
спаренным пулеметом 0,30 дюйма (7,62 мм); (2) две 37-мм (1,45 дюйма) пушки М6
со спаренным пулеметом 0,30 дюйма (7,62 мм); (3) одна 105-мм (4,13 дюйма)
гаубица со спаренным пулеметом 0,30 дюйма (7,62 мм); (4) три пулемета калибра
0,50 дюйма (12,7 мм), установленных для зенитного огня под большим углом; (5)
одна британская высокоскоростная пушка Qf 6pdr (57 мм) со спаренным пулеметом
калибра 0,30 дюйма (7,62 мм). Но, вероятно, приоритетным все же выглядел
вариант спарки 75-мм пушки М2 и пулемета.
Первоначально на башне решили сохранить
командирскую башенку с пулеметом от Medium M3.
В мае 1941 года последовало указание
изготовить макет в финальном варианте. Работы по изготовлению макета возложили
на Абердинский полигон, который тогда стал мозговым центром американского
танкостроения. 19 июня 1941г. проект нового среднего
танка получил обозначение Medium Tank T6. Макет Т6
был получен в июне или в начале августа 1941г. (Рис.4)



Рис.4 – Финальный
макет T6, фото сделано 5 августа 1941г.
На финальном макете отчетливо просматривается корпус танка, размещение
вооружения. В башне установлен макет нового варианта 75-мм орудия – Т8, позже
стандартизированного как M3, которое отличалось увеличенной до 40 калибров длиной ствола.
Самого орудия Т8 еще не было, оно находилось в разработке. В командирской
башенке пулемета не просматривается.
19 июня 1941г. (по другим сведениям, после постройки макета) Комитет по
Вооружениям утвердил постройку пилотного образца Medium
Tank T6. Причем построить предполагалось сразу два образца – один с
литым верхним элементом корпуса, другой – со сварным. Абердинскому полигону поручили построить пилотную модель с использованием литого
верхнего корпуса. Отливку корпуса и башни должна была производить компания
General Steel Castings Corporation из Гранит-Сити, штат Иллинойс, которая
изготовляла литые части корпуса для канадского танка Ram. (Рис.5)

Рис.5 – Один из
патентов General Steel на корпуса танков.
В то же время Рок-Айлендскому арсеналу
было поручено построить вариант сварного корпуса, но, похоже, задание это было
отложено по технологическим причинам. Некоторые авторы в связи с этим уточняют,
что так как башня предполагалась одна для обоих вариантов,
построили только один прототип, который установили на машину с литым корпусом.
На Рок-Айлендском арсенале ограничились выполнением некой
модели (Рис.6), хотя встречается ссылка на телетайп Rock Island Arsenal (RIA) от 18 октября
1941г., в котором сообщалось, что сварной прототип находится в состоянии
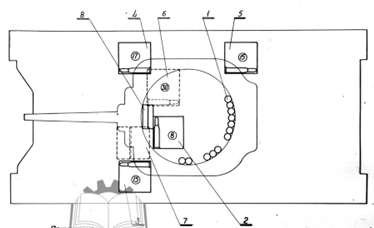
постройки.

Рис.6 – Модель of the Rock Island Arsenal, но фотография сделана в
Pullman Standard 27 ноября 1941 года. Цифрами
обозначены: 1 – роторный прицел, 2 - спарка пулеметов, 3 – вентилятор.
Говорят, на этой модели выявили некие конструктивные
изменения корпуса, вызванные технологией сварки (форма броневых листов, сварные
швы, в корпусе появился люк помощника водителя, но не заметно бортовой двери).
Рассмотрим процесс создания Medium Tank
T6 с литым корпусом (точнее, с литой верней частью корпуса).
Донором нижней части корпуса, силовой
передачи и множества других компонентов послужил неустановленный танк Medium
M3. (Рис.7)

Рис.7 – На фото, датированной 2 июля 1941 года, нижняя часть корпуса Medium M3
полностью разобрана.
На фотографии, датированной 26 августа 1941
года, видно, что установлены сиденья водителя и помощника водителя. (Рис.8)

Рис.599
– Фото строящегося Medium T6 от 26 августа 1941г. Фото с сайта Sherman minutia
homepage (free.fr).
Для строительства пилотного танка Medium
Tank T6, как пишут, взяли верхний литой элемент корпуса от
Medium М3А1 и «слегка перекомпоновали» его, хотя, на мой взгляд, отличия этого элемента
для новой машины существенные. (Рис.9)



![]()
Рис.9 - Верхняя часть
корпуса, выполненная в виде единой отливки, прибыла на Абердинский полигон в
конце августа или в самом начале сентября 1941 года, на фото фиксируется дата 2
сентября. Некоторые авторы считают, что на фото отбракованная отливка (-?).
Цифры, нанесенные мелом, представляют
собой размеры толщины в дюймах в различных точках корпуса. При унификации
проекта бронезащита должна была составлять не менее 2 дюймов спереди, 1 1/2
дюйма по бортам и корме и 1 дюйм на верхней палубе (крыше). На информационной
панели указано, что отливка весила 11 500 фунтов.
Верхнюю отливку соединили с нижней частью
корпуса со всеми приборами и агрегатами. (Рис.10)

Рис.10 – Нижняя
часть корпуса с начинкой.
На танк установили новую литую башню (D50878) с корзиной, обтянутой стальной сеткой. (Рис.11,
Рис.12)

Рис.11 - Самый
первый вариант башни D50878. 1 –
роторный прицел наводчика (перископический прицел с объективом во вращающемся в
вертикальной плоскости корпусе); 2 – пистолетный порт с
протектскопом (Protectscope, смотровое окно из бронестекла); 3 – командирская
башенка с пулеметом; 4 – ранняя версия орудийного щита; 5 – лобовая защита
ротора пушки.

Рис.12 – Вид башни
изнутри.
Высота башни составляла около 3 футов,
толщина брони — 3 дюйма на лобовой части и 2 дюйма на остальных вертикальных
поверхностях.
3 сентября 1941г. танк Medium T6 предстал на Абердинском полигоне внешне в полном
виде, но на самом деле не во всей комплектации в части
внутреннего оборудования, т.к. к тому моменту оно не было окончательно
согласовано (- возможно, по этой причине данный образец некоторые принимают за полноразмерную
модель). Для знакомства с новинкой на полигоне собрали конференцию из представителей бронетанковых войск и Управления вооружений.
(Рис.13, Рис.14)
Рис.13 - На снимке рядом с Т6 позируют генерал Джейкоб Деверс (General Jacob Devers, глава бронетанковых
войск, head of the Armored Force), полковник Уильям Хардигг (colonel William
Hardigg, директор испытательного центра Director of the Proving Center, который
курировал проект Т6), генерал Дж. Б. Роуз (General J.B. Rose, в то время был комендантом
Абердинского полигона, Commandant of Aberdeen Proving Ground).

Рис.14 – Medium Т6 в изначальной конфигурации.
На танке запечатлена командирская башенка, как указывает Richard
Hunnicutt, автор основополагающей работы по танкам типа Medim M4, фактически
это была башенка от Medium M3, она появилась на презентации 3 сентября, но на конференции, состоявшейся позднее в тот же день, было
решено заменить ее разделенным командирским люком.
Интересно, что в
июле 1941г. на Абердинский полигон для испытаний прибыл канадский аналог Medim M4 – танк Ram (Рис.15) – так что вполне понятно,
что американцы имели возможность сравнить свое изделие с британо-канадским
конкурентом.


Рис.15 – На данных фото первый опытный
образец канадского танка Ram, но фото подписано: “Medium Tank M3, Canadian”. Фотографии сделаны 16 и 30 августа 1941г.
Масса Medium Т6
27,2 т. Габариты: длина 5,6 м, ширина 2,6 м, высота 2,9 м (пишут также, что
высота по крышу башни составляла 2642 мм). Соотношение ширины и высоты танка
обусловила высокое положение центра тяжести машины. Максимальная толщина брони
76,2 мм – в лобовой части башни. Показатели бронирования корпус, вероятно,
соответствовали Medium M3: лоб корпуса от 38 мм до 50,8 мм, борт и корма
корпуса 38 мм, крыша корпуса 12,7 мм, днище от 12,7 мм до 25,4 мм.
Экипаж 5 чел.: командир, водитель, помощник водителя, наводчик,
заряжающий. Помощник водителя выполнял также функции радиста. Водитель и
помощник водителя находились в отделении управления в передней части танка.
Командир, наводчик и заряжающий в подбашенной корзине.
Получилось так, что фактически внутреннее обитаемое пространство нового
танка было разделено «глухой» подбашенной корзиной на отделение управления и
боевое отделение – в корзине лишь с ее боков оставили небольшие вырезы для
доступа к укладкам в надгусеничных полках, но перебраться из башни в корпус и
наоборот было невозможно. (Рис.16, Рис.17)


Рис.16 –
Обновленная башня Medium Т6. На башне отсутствует командирская башенка и
появились подъемные кольца (рымы). На снимке отлично просматривается
пресловутая подбашенная корзина, обтянутая стальной сеткой, создававшей
препятствие для перемещения членов экипажа внутри танка. Фото сделано 30 октября 1941г.

Рис.17 – Вид на
подбашенную корзину сверху.
Из-за «глухой» корзины терялся смысл бортовых эвакуационных люков.
Единственно возможным способом покинуть машину для водителя был люк над его
головой, а для помощника водителя – люк в днище танка. (Рис.18)

Рис.18 – Способ
экстренного покидания танка для помощника водителя – люк в днище танка позади
его кресла.
В распоряжении водителя для управления машиной имелись следующие органы:
два рычага тормозов (с сервоприводом), педаль сцепления, рычаг переключения передач,
ножной и ручной акселератор, ручной стояночный тормоз (впоследствии, на
серийных танках ручной стояночный тормоз был заменен на ножной). Кроме того, на
водителя возлагалась задачи вести огонь из спарки пулеметов, установленных в
лобовом элементе корпуса. (Рис.19)


Рис.19 -
Превосходно видна спарка пулеметов, управлять которой вменялось водителю.
Водитель и его помощник получили смотровые приборы, оборудованные
прорезями прямого обзора с откидными броневыми крышками. Водитель также имел
перископ, установленный в люке над его головой, а его сиденье регулировалось по
высоте, что позволяло ему вести машину, высунув голову из люка, когда он
открыт, или опустить вниз, когда люк закрыт, используя или перископ или прорези
прямого обзора для наблюдения (- не уверен, что такая комбинация смотровых
приборов водителя была именно на Т6 – вызывает сомнение наличие перископа,
установленного в люке над его головой, но на серийных вариантах М4 этот прибор
наблюдения действительно присутствовал в распоряжении водителя).
Трехместная башня помимо ручного привода, имела гидравлический привод
(-?). На крыше башни имелся вытяжной вентилятор. По бокам
башни располагались пистолетные порты с панорамой Protectscope (смотровым окном
из бронестекла). У наводчика имелся роторный прицел - перископический
прицел с объективом во вращающемся в вертикальной плоскости корпусе. По поводу
роторного прицела пишут и так: телескопический прицел
совместили с перископом, или: телескопический прицел, встроенный в башенный
перископ. (Рис.20)

Рис.20
– Место наводчика. Цифрами обозначены: 1 – сиденье наводчика (крепилось к полу
корзины башни непосредственно перед местом командира), 2 – органы управления
подъемом и поворотом орудия, 3 – механический механизм поворота.
На прототипе установили 75-мм пушку М2 (L31) в установке Combination Gun Mount T48 со
стабилизатором вертикальной наводки. В установке T48 пушка могла склоняться до
−12° и подниматься до +25°. Пулеметное вооружение включало пять пулеметов
винтовочного калибра .30 MG M1919A4: один в командирской башенке, один
спаренный с орудием, два спаренных в лобовом элементе корпуса, которыми
орудовал водитель и еще один там же для помощника водителя (Рис.21).

Рис.21 – Лобовая
деталь танка с тремя отверстиями под пулеметы.
Боекомплект 75 снарядов и 10 000 патронов. (Рис.22)

Рис.22 – Схема
размещения боекомплекта. Для того, чтобы добраться до некоторых укладок
требовалось повернуть башню.
12 снарядов первой очереди находились непосредственно в подбашенной
корзине. (Рис.23)

Рис.23 – Часть
интерьера подбашенной корзины.
Цифрами
обозначены: 1 – кронштейны для радиостанции, 2 – сиденье командира, 3 – сиденье
заряжающего, 4 - ограничение 75-мм орудия.
Двигатель бензиновый Wright (Continental) R975 EC2, 9 cylinder radial, мощностью 340 л.с. (250 кВт) при 2400 об/мин. (Рис.24)

Рис.24 – Положение
двигателя в танке Medium Т6.
Ходовая часть
по сравнению с Medium M3 не претерпела изменений: имела
(на борт) шесть обрезиненных опорных катков, сблокированных попарно в три
тележки, подвешенные на вертикальных буферных пружинах. Конструктивно тележка
состояла из следующих компонентов: два обрезиненных опорных катка подвешивались
на маятнике с помощью напряженных горизонтальных спирально-винтовых пружин,
защищенных бронекожухом. Узлы вертикальной спиральной рессорной
подвески (VVSS) имели возвратный ролик, установленный непосредственно на
основном корпусе каждого из шести узлов подвески (по три с каждой стороны),
выполненных в виде автономных и легко заменяемых модульных узлов, прикрепленных
болтами к бортам корпуса. Тележка в сборе крепилась к нижнему бортовому
бронелисту корпуса при помощи болтов. Тип гусеницы – резинометаллическая.
Т6 был оснащен двумя радиостанциями: одна в передней правой части
корпуса, которой управлял штурман/помощник водителя (SCR 506) (Рис.25), и одна
в башне для использования командиром, голосовой связи (SCR 508).

Рис.25
– На переднем плане спарка пулеметов, на заднем - радиостанция дальнего
действия SCR 506. Радио частично блокирует боковую дверь.
Кронштейны для радио в башне также
предназначались для установки британской радиостанции Wireless Set №19
(указывают также №9).
Демонстрация, проведенная на Абердинском
полигоне 3 сентября 1941 года, произвела хорошее впечатление. По
подвижности новый танк оказался не хуже предшественника Medium M3 – скорость по
шоссе 38,6 км/ч, запас хода 193 км. Medium Т6 имел самую мощною на тот момент
броневую защиту лба башни – 76 мм. На подходе для этого танка уже находилось
более мощное 75-мм орудие с длинной ствола 40 калибров – М3.
Если сравнивать Medium Т6 с канадским Ram, то американский танк, в целом,
смотрелся выигрышнее. При близких по значению габаритах, башня Ram оказалась более тесной за счет
меньшего диаметра погона башни – 1524 мм у Ram против 1752,6 мм у Т6. В
результате, в башне Ram не представлялось
возможным установить орудие калибром более 57 мм.
Однако и Medium Т6 вызвал
определенные замечания. На конференции 3 сентября был
согласован ряд ключевых изменений в T6 для любых дальнейших серийных моделей, в
том числе: (1) удаление командирской башенки типа М3 и ее замена разделенным
командирским люком; (2) удаление бортовых эвакуационных люков (или бортовых
дверей корпуса); (3) установка полноценного перископа на крыше башни над местом заряжающего; (4)
несущая установка носового пулемета должна была быть заменена шаровой; (5) Если
возможно, установить зенитный пулемет калибра 0,50 (12,7 мм); (6) необходимо
установить орудийный щиток для защиты артиллерийской установки от повреждений
от брызг пуль и осколков.
5 сентября 1941 года Комитет по Вооружениям
стандартизировал Medium Tank T6 как Medium Tank
M4.
Что касается самого Medium Т6, то, вскоре (к
16 сентября) он потерял командирскую башенку (фото обновленной башни Т6
размещено выше), на дуле орудия появился противовес. (Рис.26)



Рис.26 - Medium Т6 без командирской башенки.
Внизу – новинка тщательно
исследуется специалистами.
Пишут, что среди прочих изменений наметили —
добавление броневой крышки воздухозаборника М3 на моторной палубе. Изменение
отливки кормовой части корпуса и замена выхлопных труб, которые вызывали
проблемы кормовых частей танка. Эти изменения потребовали корректировки мест
хранения инструментов. (Рис.27)


Рис.27
– Первозданный вид кормовой части танка.
Отмечают, что в передней части корпуса
помощник водителя получил люк в крыше корпуса, но по состоянию на 16 сентября
наблюдается совершенно обратная, надо полагать, изначальная картина (- скорее
всего, на Т6 люк помощника водителя не появился). (Рис.28)

Рис.28
– Вид сверху на переднюю часть корпуса. Как видим, пока люка над местом
помощника водителя нет.
Более достоверно выглядит информация, что помощник водителя
получил смотровой прибор, такой же, как у водителя, но без прицела у пулемёта;
теперь пулемет можно было наводить на цель только по трассе. (Рис.29)

Рис.29
- Уникальная для Medium T6 комбинация смотровых приборов
помощника водителя.
А к 20 сентября с танка удалили антенну, установленную в передней части
корпуса. (Рис.30)

Рис.30 – На фото
показана причина удаления передней антенны.
Говорят, что при этом круглая броневая защита
крепления антенны над радиостанцией SRC 506 была заменена вентилятором корпуса,
еще один вентилятор был добавлен сразу за башней, а еще один установлен в крыше
башни. По другой версии, на прототипе вентиляторы не добавлялись, но решение об
этом было принято до начала серийного строительства новых средних танков, в
ноябре 1941г.
В феврале 1942г. на Medium Tank T6 установили
опытный образец 75-мм орудия M3, имевшего более длинный ствол. (Рис.31)

Рис.31 – Medium Т6
в конфигурации по состоянию на февраль 1942г.
В марте 1942г. на Т6 установили новую цельную бронировку трансмиссии
(дифференциала) деталь E4186. (Рис.32)

Рис.32 – Т6 с
новой бронировкой трансмиссии.
В дальнейшем на танке Medium Т6 продолжали испытывать новые узлы и
агрегаты, и облик его менялся. Летом 1942 года Т6
использовался в различных испытаниях, включая испытания на стальных гусеницах.
11 июля 1942г. с танком случился несчастный случай (Рис.33)


Рис.33 – Т6 11
июля 1942г. Склонность к опрокидываю машины была обусловлена высоким положением
центра тяжести.
Благодаря этим фотографиям можно установить, что к тому времени на танке
все же появилась бронированная крышка воздухозаборника (отмечена цифрой 1 на
верхнем снимке), которая впоследствии станет стандартной для средних танков М4
и ряд других элементов. На верхнем фото: 2 – разъемный люк командира, 3 –
лопастной (- роторный?) прицел (blade sight), 4 – рымы, 5 – вентилятор, 6 -
прожектор, 7 – отверстие для перископа заряжающего; на нижнем фото: 1-
«высокие» выхлопные трубы, 2 – воздухоочистители, 3 – двери доступа к
двигателю, 4 – пространство для хранения грунтозацепов.
На последней известной фотографии Medium T6, датируемой февралем 1947г., на машине установлена
опытная защита корпуса трансмиссии (дифференциала) – в
начале 1943 года Абердинскому полигону было поручено разработать несколько вариантов защиты корпуса трансмиссии – и переустановлен
оригинальный щиток орудия. (Рис.34)

Рис.34 – Последнее
известное изображение этой машины, сделанное 18 февраля 1947г.
Считается, что первый прототип танков Medium М4 - Medium Т6 был
утилизирован приблизительно во время Корейской войны (начало 1950-х).
В заключении рассказа о Medium Т6 следует сказать, что из литературы
можно понять, что различают, вероятно, три машины, которые считались Medium Т6
или «пилотными» вариантами, но они существенно отличались друг от друга. Первый
вариант, судьбу которого мы внимательно рассмотрели выше иногда называют “M4, #1, Shop Pilot”. В отношении второго экземпляра Medium
Т6, pilot #2 ничего не сообщается, а в отношении Medium Т6, pilot #3 пишут, что
это был первый экземпляр танка Medium М4А4 с совершенно другим двигателем -
Chrylser A57 Multibank. Машина имела конфигурацию корпуса и башни, как у
серийных танков постройки весны 1942г., то есть уже без ряда рудиментов T6. Информация
об этой машине рассматривается в связи с историей варианта Medium М4А4.
