Light Tank M3 Stuart
&
Light Tank M3А1 Stuart
&
Light Tank M3E1

Light Tank M3
США
Легкий танк
|
масса |
12,4/12,6 т |
|
вооружение |
37-мм орудие 4 пулемета |
|
экипаж |
4 чел. |
|
мощность силовой установки |
250/220-230 л.с. |
|
проект |
1940г. |
|
выпускался |
1941-1943гг., American Car & Foundry Company 5811 шт. |

Light Tank M3А1
США
|
масса |
12,94 т |
|
вооружение |
37-мм орудие 2 пулемета |
|
экипаж |
4 чел. |
|
мощность силовой установки |
250 л.с. |
|
проект |
1941-1942гг. |
|
выпускался |
1942-1943гг., American Car & Foundry Company 4410 шт. |

Light Tank M3E1
США
Экспериментальный легкий танк
|
масса |
12,6 т |
|
вооружение |
37-мм орудие 4 пулемета |
|
экипаж |
4 чел. |
|
мощность силовой установки |
230 л.с. |
|
проект |
1941г. |
|
выпускался |
1941г. 1 шт. экспериментальный конверсия |
Основная статья:
Американское танкостроение 1938-1942гг.

Рис.1 - Light Tank M2A4.
Кроме того, машины должны были получать
удлиненную ходовую часть с опущенным ленивцем. Двигатель и трансмиссия
оставались теми же. 5 июля был подписан протокол №15932, согласно которому танки
1941 года выпуска получали обозначение Light Tank M3. Под выпуск первого образца Light Tank M3 оформили отдельный контракт - T-352-1. Сначала выпускался
первый образец, официально серийный, после успешных испытаний сдавалась еще 21
машина.
American Car & Foundry Company сдала Light Tank M3 с серийным номером 1 и регистрационным номером U.S.A.
W-30978 в марте 1941 года, 14 апреля танк поступил на Абердинский полигон. (Рис.2)




Рис.2 - Light Tank M3.
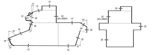
Масса 12,68 т, по другим данным – 12,43 т. Габариты: длина – 4531 мм, ширина – 2235 или 2240 мм, высота – 2151 или 2640 мм, клиренс 420 мм. Корпус и башня Light Tank M3 собирались при помощи клёпки. Толщина верхнего лобового листа составляла 16 мм под углом 69°, что, как пишут, обеспечивало защиту от 37-мм немецкой противотанковой пушки на дистанциях больше полукилометра. Защита кожуха трансмиссии достигала 44 (или 45) мм, но поскольку эта деталь выполнялась литой, то ее снарядостойкость была эквивалентна 38-мм катаным броневым листам. Благодаря литью, кожух трансмиссии удалось выполнить одной деталью, что было плюсом с точки зрения технологичности и снарядостойкости. Толщина бортов и кормы остались прежними – 25 мм. В целях усиления защищённости конструкторы отказались от боковых «форточек» водителя. Это ухудшило обзорность (Рис.3) в походном положении, но при этом танк лишался деталей, которые могли отлететь при попадании в них крупнокалиберных пуль.

Рис.3 – Схема обзорности из танка М3, схема выполнена советскими специалистами.
В кормовой части появился небольшой «хвостик», благодаря которому удалось улучшить защиту системы охлаждения – в «хвостике» находились глушители и через него выводили горячий воздух. На надмоторной плите, уязвимой для гранат и бутылок с зажигательной смесью, вместо решётки имелся хорошо защищённый воздуховод, в котором скрывались глушители выхлопной системы. Снаружи остались только воздушные фильтры. Толщина бронирования крыши корпуса и днища – 10 мм. (Рис.4)

Рис.4 – Схема бронирования Light Tank M3.
Форма башни осталась прежней. Башня собиралась на каркасе из подкладных уголков из поверхностно закалённых катанных броневых листов. Толщина лобовой плиты башни составляла 38 мм при угле наклона 10°, а толщина строго вертикальных бортовых и кормовых плит — 25 мм. Крыша башни имела толщину 13 мм. Максимальная толщина литой маски орудия составляла 51 мм. Количество смотровых лючков в башне сократилось с семи до трёх.
Экипаж 4 чел. Водитель и его помощник находились в отделении управления в передней части корпуса. Командир и заряжающий стояли на полу боевого отделения и были вынуждены передвигаться в соответствии с вращением башни, что было весьма непросто, учитывая проходивший через боевое отделение карданный вал. Интересно, что командир выполнял функции заряжающего и, кроме того, вращал башню по горизонтали! (Рис.5)

Рис.5 - Установка вооружения и механизмы наводки.
Впрочем, в некоторых источниках указывается, что вращение башни на танках модификации M3 осуществлялось вручную, при помощи плечевого упора.
Вооружение. В башне - в орудийной установке M22 Mount. Главным отличием ее стала переделка откатных механизмов орудия M5. Это позволило снизить массу установки и существенно улучшить ее защиту. Исчез также массивный кожух, прикрывавший накатник орудия. В установке M22 Mount размещались 37-мм пушка М5 и спаренный 7,62-мм пулемет Browning М1919А4. Установка M22 Mount имела возможность вертикальной наводки в пределах −10…+20° и точной доводки в горизонтальной плоскости до ±10° (без поворота самой башни). Для наведения орудия использовался телескопический прицел M40A2 (поле зрения 9°, увеличение ×1,44). Один пулемет 7,62 мм являлся курсовым (устанавливался в лобовой детали корпуса) и еще 2 таких же пулемета могли устанавливаться в надгусеничных полках слева и справа – как сообщают, огонь из них дистанционно вел водитель при помощи спусковых тросов. В качестве штатного указывается зенитный пулемет. (Рис.6)

Рис.6 – Установка зенитного пулемета на башне.
На данном фото отлично просматривается множество заклепок в башне. При попадании в башню снарядов и пуль крупнокалиберных пулеметов внутренние части заклепок могли отлетать внутрь башни, поражая экипаж.
Боекомплект 116 выстрелов и 6400 патронов.
Двигатель Continental W670-9A, 7-цилиндровый, карбюраторный, звездообразный (радиальный), воздушного охлаждения; мощность 250 л.с. (184 кВт) при 2400 об/мин, рабочий объем 9832 см³ (по другим данным, 10,95 л). Машина оборудовалась четырьмя топливными баками вместимостью 51 литр каждый, они размещались в моторном отделении и надгусеничных нишах. Трансмиссия: многодисковый главный фрикцион сухого трения, карданный вал, пятискоростная коробка передач с синхронизатором, дифференциал, бортовые передачи (Рис.7) с двухдисковыми фрикционами сухого трения; тормоза ленточные.

Рис.7 – На данном снимке демонстрируются шестерни бортовой передачи, увы, вышедшие из строя.
Ходовая часть: четыре одиночных обрезиненных опорных катка на борт, сблокированных попарно в две тележки, каждая тележка подвешена на двух вертикальных буферных пружинах, три поддерживающих ролика, направляющее колесо, ведущее колесо переднего расположения с двумя съемными зубчатыми венцами (зацепление цевочное); в каждой гусенице 66 траков, по одним данным шириной 294 мм, по другим – 194 мм, шаг трака – 140 мм.
Средства связи - радиостанция SCR-210. Размещалась в спонсоне корпуса,
обслуживалась стрелком-радистом. Командирские машины оборудовались более мощной
радиостанцией SRC 245. Из источников можно понять, что только 40% танков должны
были получать радиостанцию. Кроме того, танки оборудовались внутренним
телефонным переговорным устройством RC 61.
Максимальная скорость 58 км/ч. Запас хода от 113 до 144 км, видимо, в зависимости от силовой установки. Удельное давление на грунт 0,72 кг/м2. Преодолеваемые препятствия: угол подъема 35°, высота стенки 0,61 м, ширина рва 1,83 м, глубина брода 0,91 м.
Ещё до того, как Light M3 начал сходить со сборочных линий American Car & Foundry Company, Комитет по вооружению стал рассматривать вопрос об улучшении его конструкции. Основной претензией была технология изготовления танка. Прежде всего, речь шла о башне. При попадании снаряда в клепаную башню, даже если он не пробивал броню, клёпки откалывались изнутри, превращаясь в поражающие элементы. В итоге несколько попаданий могли вывести экипаж из строя, даже внешне не повредив башню. 27 декабря 1940г. Комитет по вооружению принял решение о замене клёпаной башни D37182 на сварную.
Новая башня появилась в мае 1941г. и получила обозначение D38976. (Рис.8)


Рис.8 – Чертеж башни D38976.
Внешне она практически не отличалась от башни предыдущего образца, за исключением того, что она стала сварной. Правда, орудийная установка М22 снималась вместе с лобовым листом башни, который крепился на болтах, так что полностью от не сварных соединений в башне отказаться не удалось. Пишут, что башня была протестирована на танке с серийным номером 279. С другой стороны, сообщают, что первым танком со сварной башней стала машина с серийным номером 1194 и регистрационным номером U.S.A. W-301728, но тут же пишут, что «фактически это был 330-й серийный танк». Изготовлен этот танк был в августе 1941г. по контракту T-543, по которому первоначально строились танки с клепаными башнями. (Рис.9)






Рис.9 - Light Tank M3 со сварной башней D38976.
Ближе к осени 1941 года танки стали получать смотровые приборы водителя и его помощника новой конструкции. Вместо простых стеклоблоков стали ставиться призмы, что улучшило стойкость листов и частично обезопасило от поражения расчета отделения управления.
27 марта 1941 года поступили предложения по дальнейшей модернизации башни танка. Распоряжением №16583 Комитет по вооружению утвердил специальное кольцо в нижней части башни, которое должно было прикрывать подбашенный погон от попаданий снарядов и пуль. Появление этого кольца повлекло за собой и переделку башни в целом, поскольку его установка на башню граненой формы вызывала сложности - собирать ее пришлось бы из минимум 7 деталей, свариваемых между собой. В результате переделок от старой башни остались орудийная установка, зенитная турель и подбашенный погон. Теперь башня имела форму гнутой подковы, снизу к ней приваривалось защитное кольцо. Башня собиралась при помощи сварки из катаных гомогенных броневых плит толщиной 32 мм и лобовой детали толщиной 38 мм. Максимальная толщина маски орудия на таких башнях была увеличена до 51 мм. Поменяла форму командирская башенка. Одновременно были переделаны и смотровые приборы. В створке люка башенки предполагалась установка перископа Шрёдингера – говорят, что это переработанный перископ польского конструктора Рудольфа Гундляха, который американцы подсмотрели на английских танках (в британской версии перископ MK-IV). Изменилась конструкция смотровых лючков - они стали крупнее, при этом ставился перископический прибор наблюдения. Новая башня получила индекс D39273 (Рис.10).


Рис.10 – Проекции башни D39273.
Башня D39273 была запущена в серийное производство в конце 1941 года, но впервые на М3 появилась а октябре 1941г. на танке с серийным номером 1946 (регистрационный номер U.S.A. W-302479); в ноябре машина поступила на Абердинский полигон. (Рис.11)




Рис.11 – Танк с башней D39273.
На нижнем снимке заметно, что в башенном люке предусматривалась установка перископа, но ставился он не всегда, в некоторых источниках указывают, что перископы в башни D39273 не ставились по причине их дефицита.
В декабре 1941г. был изготовлен танк М3 с полностью сварным корпусом и башней D39273, но серийное производство таких машин налажено не было. (Рис.12)

Рис.12 - Light Tank M3 со сварным корпусом и башней D39273.
В 1942г. на Light Tank M3 решили установить 37-мм танковую пушку М5Е1, которая была стандартизирована 14 ноября 1940г. как М6. В отличие от пушки M5, которая по конструкции почти не отличалась от противотанковой пушки M3, новое орудие имело иной по конструкции ствол и казённую часть. Пушку М6 решили ставить в новой орудийной установке M23, оснащённой вертикальным гироскопическим стабилизатором – разработка фирмы Westinghouse Electric (разработка стабилизатора к 37-мм пушке велась с 1939г.). Появление гироскопического стабилизатора было вызвано высоким рассеиванием при стрельбе из орудия на ходу. При ведении огня в движении в цель попадало всего 4% выпущенных снарядов. Говорят, причина этого крылась в высоком центре тяжести машины и относительно коротким габаритом по длине. Объединённые вместе, пушка M6 и установка M23 на испытаниях показали заметно лучшие показатели при стрельбе с ходу. (Рис.13)



Рис.13 – Орудийная установка М23 с пушкой М6 с гироскопическим стабилизатором.
Благодаря стабилизатору, количество попаданий выросло до 40 процентов, что является очень приличным результатом. Однако появление стабилизатора заставило отказаться от системы точной наводки по горизонту. Испытывали новую орудийную установку в мае 1942 года, причём она была установлена в новой башне (D58101), которая вместо командирской башенки получила два люка, при этом высота машины снизилась до 2390 мм. Одновременно предполагалось, что наводчик получит перископический прицел M4, а командир - перископический смотровой прибор M6 кругового вращения. (Рис.14, Рис.15)

Рис.14 – Схема башни D58101.

Рис.15 – Указывают, что это Light Tank M3 с орудийной установкой М23 и пушкой М6.
Как видим, машина имеет сварной корпус. Такой вариант в литературе называют M3 Hybrid Light Stuart.
Инновации со стабилизатором вызвали неоднозначную реакцию. Оказалась, что отказ от системы точной наводки по горизонтали является минусом, поскольку механизм горизонтальной наводки находился не у наводчика, а у командира (он же заряжающий), а наводчик мог довольствоваться только стопором башни. Более того, серийные танки с башнями D58101 так и не получили перископические приборы наведения - вместо перископов стояли заглушки.
Большинство легких танков M3 оснащалось авиационными двигателями Continental W-670–9A. Их мощности хватало для того, чтобы разогнать машину до 50 км/ч (такая скорость указана в американском руководстве TM9–726). С июня 1941 года начался выпуск танка с дизельным мотором Guiberson T-1020–4. (Рис.16)

Рис.16 - Дизельный мотор Guiberson T-1020, его ставили на танки производства завода в Сент-Чарльзе, штат Миссури.
Отмечается, что эти моторы запускались при помощи пиропатрона, но на морозе все равно возникали сложности.
Это был 9-цилиндровый, радиальный, воздушного охлаждения дизель мощностью 230/220 л.с. при 2200 об/мин, рабочим объемом 16,73 л. Внешне машины с дизельными моторами отличались чуть изменёнными трубопроводами к воздушным фильтрам. Таких танков, обозначавшихся Light Tank M3 (Diesel), изготовили 1281 штуку.
В марте 1941 года была запущена программа по использованию на Light Tank M3 дизельных моторов от грузовиков. В качестве силовой установки было предложено использовать двигатель Cummins HBS-600, турбированную версию мотора, ставившуюся в тяжёлые грузовики. Рядная «шестёрка» развивала 230 лошадиных сил, то есть оказалась сопоставима по мощности с дизелем Guiberson T-1020–4. В ноябре 1941 года на Абердинский полигон прибыл переделанный танк, получивший индекс Light Tank M3E1. (Рис.17)

Рис.17 – Light Tank M3E1, оснащённый двигателем Cummins HBS-600.
Испытания показали, что использование Cummins HBS-600 резко повысило экономичность. К тому же автомобильный мотор оказался более неприхотливым. Однако мотор оказался заметно длиннее Guiberson T-1020–4, из-за чего пришлось удлинять моторное отделение и одновременно уменьшать размеры баков. В мае 1942 года, после полугода испытаний, от идеи отказались.
В сентябре-ноябре 1941г. провели тестовую установку дополнительных топливных баков на Light Tank M3. Для увеличения запаса хода машины на надгусеничных полках разместили два дополнительных бака по 95 (94,6) литров каждый – в некоторых источниках указывают, что ёмкость каждого бака составляла 102 л. Баки соединялись трубопроводами с основной топливной системой. Поскольку баки находились довольно высоко и представляли собой хорошую мишень, их выполнили, по аналогии с самолётными баками, из самозатягивающегося материала. Установка баков удвоила запас хода – до 217 км, но при этом сектор обстрела орудия сократился до 90° в каждую сторону. Однако с таким неудобством можно было мириться, поскольку баки легко снимались. (Рис.18)



Рис.18 – Вид Light Tank М3 с дополнительными топливными баками.
На фото машины с разными башнями.
Танки Light Tank M3 серийно строились с марта 1941г. по январь 1943г. Официально их прекратили делать в июле или в августе 1942 года (некоторые указывают октябрь 1942г.), но последние 4 танка сдали в январе 1943 года. Разработчиком и производителем Light Tank M3 указывают компанию American Саг and Foundry. По разным оценкам, было произведено 5811/5810 или 5806 единиц, из них 4525 танков с бензиновыми двигателями и 1281/1285 штук с дизельными - Light Tank M3 (Diesel).
Таблица – Производство танков Light Tank M3.
|
|
1941г. Итого 2551 шт. |
1 |
2 |
3 |
4 |
5 |
6 |
7 |
8 |
9 |
10 |
11 |
12 |
|
Light Tank M3 |
2072 шт. |
|
|
1 |
127 |
211 |
210 |
210 |
220 |
248 |
308 |
238 |
299 |
|
Light Tank M3 (Diesel) |
479 шт. |
|
|
|
|
|
11 |
43 |
61 |
61 |
92 |
100 |
111 |
|
|
1942г. Итого 3256 шт. |
|
|
|
|
|
|
|
|
|
|
|
|
|
Light Tank M3 |
2454 шт. |
274 |
263 |
322 |
398 |
491 |
583 |
122 |
|
|
1 |
|
|
|
Light Tank M3 (Diesel) |
802 шт. |
104 |
100 |
96 |
146 |
127 |
111 |
105 |
13 |
|
|
|
|
|
|
1943г. Итого 4 шт. |
|
|
|
|
|
|
|
|
|
|
|
|
|
Light Tank M3 (Diesel) |
4 шт. |
4 |
|
|
|
|
|
|
|
|
|
|
|
Из источников можно понять, что в марте-июне 1941г. сдали 340 танков с клепаными башнями D37182 и бензиновыми моторами. Эти машины получили серийные номера 1-341, регистрационные номера U.S.A. W-30979-30999 и U.S.A. W-301123-301441. Первые дизельные танки с клепаными башнями произвели в июне (11 штук), далее 43 в июле, по 61 в августе и сентябре, 92 в октябре и последние 18, по контракту T-352-2, в ноябре – итого 225 шт. Машины получили серийные номера 342-627 и регистрационные номера U.S.A. W-301442-301727.
Танков со сварной башней D38976 было получено 1314 шт., из них 200 дизельных. Только за лето 1941 года было сдано 628 танков со сварными башнями.
Первые танки со сварными башнями D39273, вероятно, были получены в рамках контракта T-1538 в декабре 1941г. С декабря 1941г. по март 1942г. было получено 1248 танков с башней D39273 и бензиновым мотором Continental W-670-9A. С января 1942г. по май 1942г. также было построено 500 дизельных танков с башнями D39273, получивших серийные номера 2590-3089 и регистрационные номера U.S.A. W-303124-303623.
С марта 1942г. в серию пустили танки М3 с башнями D58101, их строили до января 1943г. включительно. Всего было произведено 1822 бензиновых и 299 дизельных танков этой модификации. Т.е. вариант М3 с башней D58101 оказался самым массовым.
Быстрый рост производства легких танков в 1941-1942гг. привел к проблемам с комплектацией машин. Например, вместо 40% радийных машин было получено только 20%, а часть машин ездила с заглушками вместо орудий. (Рис.19, Рис.20)

Рис.19 – Серийный танк с клепаной башней с муляжом орудия.

Рис.20 – Танки со сварными башнями D38976 без орудий.
Первые Light Tank M3 с клепаными башнями D37182 пошли в войска с августа 1941г. как учебные машины. Зная о проблемах, которые имели место при попаданиях в клёпаную башню снарядов, американцы отправили их в тренировочные центры, часть из них даже не имела вооружения. Подобные танки практически не поставлялись союзникам, лишь англичане получили небольшую партию. В кадрах хроники они мелькают исключительно на учениях, причём часто без вооружения. (Рис.21)

Эшелон с Light Tank M3 из состава 1-й бронетанковой дивизии на пути к месту
маневров, октябрь 1941 года.

Light Tank M3 с клепаной башней D37182 без
вооружения.

Танк из состава 2-й бронетанковой дивизии,
сентябрьские маневры в Луизиане.

Рис.21 - Танки Light Tank M3 с клепаной башней D37182 в руках американского оператора.
По-настоящему боевыми стали легкие танки М3 со сварными башнями D38976. (Рис.22)

Рис.22 – М3 с башнями D38976 в войсках.
Впервые в бой в составе армии США эти машины вступили 22 декабря 1941г. на Филиппинах (на о. Лусон). Разведгруппа из пяти американских легких танков внезапно наткнулась на колонну японских танков «Ха-Го». Головная машина американцев была подбита, поле боя осталось за противником. К концу кампании на Филиппинах все машины из состава американских 192-го и 194-го танковых батальонов оказались у японцев.
Танки с башнями D39273 начали поступать в войска с конца 1941г. (Рис.23)


Рис.23 - Танки М3 с башнями D39273 в войсках.
Их боевой дебют в составе американских войск состоялся на тихоокеанском ТВД. Случилось это 7 августа 1942 года на Гуадалканале. В боях за остров принимал участие 1-й танковый батальон морской пехоты, приданный 1-й дивизии морской пехоты. Отмечается, что машины оказались уязвимы для огня японской противотанковой артиллерии, а их основными противниками была пехота. (Рис.24)

Рис.24 – На Гуадалканале.
Некоторое количество танков М3 с башнями D39273 участвовали в операциях в Северной Африке.
Танки М3 с башнями D58101 на вооружение американской армии поставлялись в ограниченном количестве. (Рис.25)

Рис.25 – Вероятно, это тот редкий случай, когда М3 с башней D58101 на вооружении американской армии.
Первыми танки этой модификации применил 1-й танковый батальон корпуса морской пехоты, воевавший на Гуадалканале. Вероятнее всего, именно на тихоокеанском ТВД эти танки в руках американского оператора задержались дольше всего. (Рис.26)
Рис.26 – Танк М3 с башней D58101 на службе морпехов на Гуадалканале, 1942г.
Попали такие машины и в Северную Африку, бои в Тунисе в составе американской армии стали для них последними. (Рис.27)

Рис.27 – В Тунисе.
Пишут, что Light Tank M3 были выведены из состава американских войск к июню 1943г. (Рис.28)


Высокий центр тяжести машины мог привести к
опрокидыванию.


Рис.28 – Галерея Light Tank M3.
Light Tank M3А1.
Возникшие сложности с установкой на М3 37-мм пушки в установке М23 привели к появлению новой модификации танка - Light Tank M3А1. Как мы помним, на танке М3 с установкой М23 с гироскопическим стабилизатором пришлось удалить систему точной наводки по горизонтали. В результате возникла неприятная проблема с наведением орудия по горизонтали, поскольку механизм горизонтальной наводки находился не у наводчика, а у командира (он же заряжающий). Проблему решили устранить за счет введения гидравлического привода башни – в других источниках пишут про электрический привод башни. Испытания, проведённые на Абердинском полигоне, показали успешность идеи с гидравлическим приводом башни, но возникла ещё одна проблема. Дело в том, что расчёт башни не сидел в ней, а стоял. Под ногами членов экипажа находились укладки боеприпасов и высоко расположенный вал от двигателя к трансмиссии, прикрытый кожухом. Во время вращения башни командиру и наводчику приходилось буквально прыгать. Теперь же предстояло прыгать ещё быстрее, потому что гидравлический привод вращал башню быстрее ручного. Для устранения этих неудобств башня получила полик, на котором были размещены агрегаты гидравлического привода башни. Одновременно наводчик и командир получили сиденья. Появление в танке полика привело не только к решению старых проблем, но и к появлению новых: внутреннее пространство в боевом отделении резко уменьшилось, высоко торчащий вал никуда не исчез, потому полик оказался небольшим по высоте. Надо полагать, что новые обстоятельства, пожалуй, усилили тесноту в башне. (Рис.29)

Рис.29 – Интерьер башни с поликом.
На модернизированный танк устанавливалась башня D58133, которая отличалась от башни D58101 наличием не только полика и гидравлического механизма поворота башни, но и штатными перископическими приборами наблюдения. В башнях D58101 предполагалось устанавливать для командира перископический смотровой прибор в крыше башни, а для наводчика - перископический прицел, но на практике башни D58101 не получили перископические смотровые приборы. Пишут, что еще одним заметным отличием стал несъемный лобовой лист башни, но, кажется, он был несъемном уже на башне D58101. Кроме того, установка зенитного пулемёта переместилась в заднюю правую часть башни. (Рис.30)

Рис.30 – Башня D58133 в разрезе.
По корпусу также решили внести некоторые изменения. Военные отказались от двух дополнительных пулемётов, которые занимали место в надгусеничных полках и оказались малоэффективными. Их амбразуры закрыли заглушками, а благодаря высвободившемуся месту удалось разместить в танке рацию без сокращения боекомплекта - пишут, что боезапас вырос до 106 унитарных выстрелов, а запас патронов уменьшился, что логично ввиду ликвидации 2-х пулеметов. На более поздних машинах пулемётная амбразура с заглушкой осталась лишь на правом борту. Как будто, все танки должны были теперь оборудоваться радиостанцией.
Модернизированный подобным образом Light Tank M3 был стандартизирован под обозначением Light Tank M3A1. (Рис.31)


Рис.31 – Проекции Light Tank M3A1.
Первый опытный образец Light Tank M3A1 появился в мае 1942г. Его получили из Light Tank M3 с регистрационным номером U.S.A.306923. Корпус не менялся, лишь заварили амбразуры пулеметов в надгусеничных полках. (Рис.32)



Рис.32 - Первый опытный образец Light Tank M3A1, машина имеет клёпаный корпус.
Масса новой версии легкого танка М3 – 12,94 т. Габариты: длина – 4531 мм, ширина – 2235 или 2240 мм, высота – 2151 или 2390 мм, клиренс 420 мм. Бронирование: лоб 25-44 мм, корма 25 мм, крыша, днище 13 мм, башня 51-32 мм, крыша башни 13 мм. В ходе производства при сборке корпуса стала применяться сварка - сваривались детали бортов подбашенной коробки, приварными были выполнены и петли люков, но крыша и днище продолжали крепить на заклепках и рейках. С июля 1942г. верхний кормовой лист корпуса стал гнутым и изготовлялся из одной детали, но крепился он на болтах, поскольку был съемным. (Рис.33)

Рис.33 – Серийно исполненный Light Tank M3A1.
Экипаж 4 чел. Вооружение 37-мм пушка М6, один пулемет Browning М1919А4 калибра 7,62 мм и один пулемет Browning М1919А5 того же калибра (устанавливался в орудийной установке). Двигатель Continental W670-9A, 7-цилиндровый, карбюраторный, звездообразный, воздушного охлаждения; мощность 250 л.с. (184 кВт) при 2400 об/мин, рабочий объем 9832 см³ (Рис.?), или 9-цилиндровый, радиальный, воздушного охлаждения дизель Guiberson T-1020–4, мощностью 230/220 л.с. при 2200 об/мин, рабочим объемом 16,73 л. (Рис.34, Рис.35).

Рис.34 – Схема системы смазки двигателя Continental W670-9A, выполнена советскими специалистами. Вероятно, на вариант М3А1 в систему смазки добавили пластинчатый масляный фильтр типа Куно, который использовался как средство грубой очистки отработанного масла.

Рис.35 – Дизельная версия внешне отличалась удлинёнными трубопроводами из моторного отделения к воздушным фильтрам.
На Light Tank M3A1 появился дополнительный бензиновый генератор, обеспечивающий питание электрооборудования при отключенном двигателе танка. Этот агрегат устанавливался на всех последующих модификациях легких танков типа М3/М5.
Трансмиссия: многодисковый главный фрикцион сухого трения, карданный вал, пятискоростная коробка передач с синхронизатором, дифференциал, бортовые передачи с двухдисковыми фрикционами сухого трения; тормоза ленточные. Ходовая часть: четыре одиночных обрезиненных опорных катка на борт, сблокированных попарно в две тележки, каждая тележка подвешена на двух вертикальных буферных пружинах, два поддерживающих ролика, направляющее колесо, ведущее колесо переднего расположения с двумя съемными зубчатыми венцами (зацепление цевочное); в каждой гусенице 66 траков, по одним данным шириной 294 мм, по другим – 194 мм, шаг трака – 140 мм. Средства связи - радиостанция SCR-210, (на командирских машинах SRC 245, внутреннее телефонное переговорное устройство RC 61.
Максимальная скорость 58 км/ч. Запас хода 113 - 144 км. С дополнительными баками запас хода до 217 км. Преодолеваемые препятствия: угол подъема 35°, высота стенки 0,61 м, ширина рва 1,83 м, глубина брода 0,91 м.
Была попытка наладить производство M3A1 и со сварными корпусами из гомогенной брони. Такие танки предполагалось обозначить как Light Tank M3A2, но их производство не началось.
Производство Light Tank M3A1 стартовало на American Саг and Foundry в мае 1942г.
Таблица – Производство танков Light Tank M3А1.
|
1942г. |
1 |
2 |
3 |
4 |
5 |
6 |
7 |
8 |
9 |
10 |
11 |
12 |
итог |
|
|
|
|
|
|
1 |
17 |
535 |
605 |
592 |
835 |
198 |
1587 |
4370 |
|
1943г. |
17 |
23 |
|
|
|
|
|
|
|
|
|
|
40 |
Как видим, массовый выпуск Light Tank M3A1 был налажен с июля 1942 года. Пик производства пришелся на второе полугодие 1942г. – построено более 4000 штук. (Рис.36)

Рис.36 – Готовые изделия на заводском дворе.
Последние M3A1 сдали в феврале 1943г. За это время построили 4410 танков, из них 211 (серийные номера 7723-7797) с дизельными моторами.
В подразделения американских вооруженных сил поступило всего 1977 танков M3A1 – прочие (2433 шт.) отправились к союзникам.
В составе американских войск танки Light Tank M3A1 приняли участие в операции «Факел» - высадка в Северной Африке. 1-я бронетанковая дивизия имела в своём составе 158 Light Tank M3A1. Впервые эти американские машины пошли в бой против французов 9 ноября 1942 года в районе аэродрома Тафару в Алжире. Противником Light Tank M3A1 оказались танки Renault D1. В ходе боя французы потеряли четырнадцать танков. У американцев потерь в танках не оказалось, но один М3 был поврежден. В дальнейшем танки Light Tank M3A1 принимали живейшее участие в Туниской кампании. 25 ноября 1942г. танки типа М3 штабной роты уничтожили две итальянские САУ Semovente da 47/32. В тот же день легкие М3 1-й танковой дивизии вступили в бой с 13 германскими танками, среди которых были PzKpfw III и PzKpfw IV. В этом столкновении вскрылась неуязвимость немецких танков для 37-мм пушек. Американцы потеряли 6 легких танков типа М3, при этом М3 не смогли подбить ни один танк противника. К сожалению, урок не был усвоен, и американцы продолжали применять легкие М3 в не подходящем для них качестве полноценного танка в лобовых атаках. (Рис.37)

Рис.37 – Танки американской 1-й бронетанковой дивизии поддерживают английскую пехоту, Тунис, 1943 год.
На Тихоокеанском ТВД танки Light Tank M3A1 дебютировали в июне 1943 года. К тому моменту армия отказалась дизельных M3A1, но Корпус морской пехоты США, напротив, был заинтересован в дизельных танках, менее подверженных риску заглохнуть в ходе высадки и, как считалось, хуже горевших. По этим причинам морпехи старались получить машины с дизелями Guiberson T-1020–4. Пишут, что морские пехотинцы часто демонтировали корзину внутри башни танка. Впервые морпехи применили Light Tank M3A1 в ходе высадки на острова Нью-Джорджия в архипелаге Соломоновых островов. С этой поры и вплоть до середины 1944 года M3A1 активно использовались на Тихом океане как морской пехотой, так и армией. (Рис.38)

Экипаж танка 3-го батальона 3-й дивизии морской
пехоты, Бугенвиль, 1943 год.



Вероятно, Аляска?
Рис.38 – Галерея Light Tank M3A1 в руках американцев.
Эксплуатация Light Tank M3/М3А1: американский опыт и зарубежные операторы.
В качестве боевых танков машины Light Tank M3/M3A1 применялись американцами недолго. Ко времени высадки войск США в Северной Африке (ноябрь 1942г.), M3, M3A1 поначалу составляли основу американских 1-й и 2-й бронетанковых дивизий. Американцы, не имевшие опыта боев с итало-немецкими противниками, полагали, что легкие танки типа M3, M3A1 способны успешно действовать в первой линии. И первое время, как будто, эта точка зрения оправдывала себя. С итальянской бронетехникой M3, M3A1 впервые встретились 25 ноября 1942г., когда танки штабной роты уничтожили две САУ Semovente da 47/32. В тот же день, легкие танки 1-й бронетанковой дивизии впервые вступили в сражение с 13 германскими танками. Немцы подбили 6 американских легких машин, ибо 37-мм пушки M3, M3A1 оказались все же слабоваты в реальном бою, но зашедшие с фланга американские легкие танки вывели из строя шесть PzKpfw IV и один PzKpfw III. Т.е. практика атаки вражеских танков в борт приносила положительные результаты. (Рис.39)

Рис.39 – Light Tank M3 13-го танкового полка армии США. Тунис, январь 1943г.
В ходе тяжелых боев в Кассеринском проходе 19-25 февраля 1943г. американцы потеряли 2/3 имевшихся у них на Африканском театре танков – тогда стало очевидно, что легкие танки уступают более тяжелобронированным и вооруженным более мощными орудиями немецким машинам. Ко времени высадки союзников в Сицилии (июль 1943г.) легкие танки типа M3, M3A1 были либо выведены из состава действующих войск, либо приказом, выпущенным в июне 1943г., переведены на роль разведывательных вспомогательных машин. Также встречается информация, что 1-я бронетанковая дивизия весной 1943 года подарила свои M3 и M3A1 французам – всего, около 198 шт.
Более богатая боевая жизнь сложилась у танков типа Light Tank M3/M3A1 у зарубежных операторов этих машин.
Великобритания.
Британия стала, вероятно. первым зарубежным акцептором танков типа Light Tank M3/M3A1.
Таблица – Поставки танков типа Light Tank M3/M3A1 в Великобританию.
|
Light Tank M3 |
1784 |
|
Light Tank M3 (diesel) |
50 |
|
Light Tank M3A1 |
1594 |
|
Light Tank M3A1 (diesel)° |
0° |
|
|
3428 шт. |
По другим данным, в Британию было поставлено 1829 танков Light Tank M3 (совокупно, в карбюраторной и дизельной комплектации) и 1594 единицы M3A1 (совокупно, в карбюраторной и дизельной комплектации). Итого: 3423 штуки.
Британцы придумали собственные обозначения для модификаций танков типа Light Tank M3/M3A1. Во-первых, появилось название General Stuart. Пишут, что обозначение это появилось с 22 сентября 1941г. (когда меняли систему обозначения британских танков). Машину назвали в честь генерал-майора Джеймса Юэлла Брауна Стюарта, известного военачальника времен Гражданской войны в США, воевавшего на стороне Конфедерации. (Рис.40)

Рис.40 – James Ewell Brown “J.E.B.” Stuart, 1833-1864гг.
Далее следовала детализация модификаций. В общем виде британская индексация выглядела так: Stuart I – МЗ; Stuart II – МЗ с дизелем; Stuart III – МЗА1; Stuart IV- МЗА1 с дизелем. Однако встречается и более подробная раскладка:
М3, Stuart I, Type 1 – M3 базовая версия с клёпаной башней;
М3, Stuart I, Type 2 – M3 версия со сварной гранёной башней;
М3, Stuart II, Type 3 - M3 Type 2 с дизельным двигателем;
М3, Stuart I, Type 4 - M3 версия со сварной башней подковообразной формы с командирской башенкой;
М3, Stuart II, Type 5 - M3 Type 4 с дизельным двигателем;
M3, Stuart Hybrid, Type 6 - M3 «гибридная» версия с башней от M3A1, но с ручным поворотом башни и без башенной «корзины»;
M3, Stuart Hybrid, Type 7 - M3 Type 6 с дизельным двигателем;
M3, Stuart Hybrid, Type 8 - M3 «гибридная» версия с клёпано-сварным корпусом и башней, аналогичной M3 Type 6;
M3, Stuart Hybrid, Type 9 - M3 Type 8 с дизельным двигателем;
M3A1, Stuart III, Type 10 - M3A1 с новой башней с электроприводом (- ?, обычно пишут, гидроприводом) и башенной «корзиной», а также смешанным клёпано-сварным корпусом;
M3A1, Stuart IV, Type 11 - M3A1 Type 10 с дизельным двигателем;
M3A1, Stuart III, Type 12 - M3A1 аналогичная Тип 10 версия, но с полностью сварным корпусом (-?);
M3A1, Stuart IV, Type 13 - M3A1 Type 12 с дизельным двигателем.
Встречается следующая математика доведенных до британских стандартов легких танков типа М3.
Таблица – Статистика доведенных до британских стандартов легких танков типа М3°.
|
Stuart I |
М3 всех версий Stuart I |
5811 шт. |
|
Stuart II |
М3, Stuart II, Type 5 - M3 Type 4 с дизельным двигателем |
1285 шт. |
|
Stuart Hybrid |
Type 7 - M3 Type 6 с дизельным двигателем Type 8 - M3 «гибридная» версия с клёпано-сварным корпусом и башней, аналогичной M3 Type 6 Type 9 - M3 Type 8 с дизельным двигателем |
? шт. |
|
Stuart III |
M3A1, Stuart III, Type 10 M3A1, Stuart III, Type 12 |
4621 шт. |
|
Stuart IV |
M3A1, Stuart IV, Type 11 M3A1, Stuart IV, Type 13 |
211 шт. |
°Обращает на себя внимание, что, согласно этой таблице, количественные данные по вариантам Stuart намного превосходят объемы поставок Light Tank M3/M3A1 британскому оператору. Более того, получается, что Stuart’ов оказалось на 1707 шт. больше, чем количество произведенных М3/М3А1.
Первые 84 танка Light Tank M3 в адрес британской армии поступили с июня по конец июля 1941г. Поступали как танки с клепаными башнями, так и со сварными. (Рис.41)


Рис.41 – Поступавшие в британскую армию легкие танки М3. Вверху с клепаной башней, внизу – со сварной.
В отношении танков с клепаными башнями известно, что они использовались преимущественно в учебных целях.

Рис.42 – Light Tank M3 с клепаной башней в компании танков Matilda A12.
Пишут, что в войсках этим занимались на базе ремонтных мастерских 4-й бронетанковой бригады 7-й бронетанковой дивизии. Танк получил противопылевые экраны на ходовую часть, дополнительные ящики ЗИП, а также крепления для английских канистр. Для крепления башенного люка в походном положении появились специальные кронштейны. На танки наносили типовой камуфляж, разработанный полковником Джоном Каунтером, который некоторое время командовал 4-й бронетанковой бригадой 7-й бронетанковой дивизии. Пулемёты в спонсонах корпуса обычно снимались, для увеличения внутреннего пространства. Американская радиостанция заменялась на британскую No.19 Wireless Set. Всё вышеперечисленное уже с сентября 1941 года запустили в работу. (Рис.43)



Рис.43 – Вариант обвеса, разработанный, как считается, силами ремонтных мастерских 4-й танковой бригады.
В метрополии силами DTD к делу подошли более основательно. В течение сентября-октября 1941 года там разработали т.н. «каноничный» вариант обвеса для General Stuart. Он был подготовлен по результатам более детального изучения машины, а также опыта эксплуатации других танков с похожими комплектами. Утвержденный DTD вариант обвеса предполагал установку противопылевых экранов более развитой конструкции. Они напоминали те, что применялись на британских танках Valentine. Борта надгусеничных полок теперь тоже не пустовали: на них повесили шпоры, которые были совсем не лишними. Появились новые ящики ЗИП, как сзади, так и спереди. Дополнительный наружный топливный бак закрепили на корме машины. Снаружи башни, с левой стороны, стали крепить пару дымовых мортирок - делали обрез из старых винтовок Lee-Enfield, чтобы выстрелить из них требовалось потянуть из башни за шнур. (Рис.44)


Рис.44 - Легкий танк Stuart I, прошедший эталонное переоборудование для действий в Северной Африке.
Имелись изменения и по боевому отделению.
Внутри башни разместили укладки под ручные гранаты, а также сигнальный
пистолет. В отличие от американцев, радиостанцию разместили не в правой
надгусеничной полке, а в корме боевого отделения – при таком положении
радиостанции не надо было вынимать правый пулемет и укладки. (Рис.45)

Рис.45 – Изменения внутри танка.
В 1942 году появился третий вариант обвеса. По ряду причин экраны второго («канонического» или эталонного) типа, а также запасной топливный бак, не прижились. Третий вариант обвеса был похож на первый, но крылья переделали, а сбоку появились крепления для ранцев. Эта версия стала окончательной. (Рис.46)

Рис.46 – Третий вариант обвеса танка.


Рис.47 – Вероятно, вариант обвеса для варианта М3А1. Рискну предположить, что множественность ящиков связана, возможно, с транспортировкой танков по морю.

Рис.48 – Указывают, что на заднем плане (из-за американского генерала Эйзенхауэра) выглядывает Stuart III (т.е. М3А1 с британским обвесом). Видим широкие экраны ходовой части и дополнительные баки сбоку от башни, ящики в передней части корпуса отсутствуют.

Рис.49 – Прибытие танков Stuart I в пустынном обвесе в войска.
Впервые в боевых целях британцы применили танки Stuart I в ходе операции «Крестоносец», начавшейся 18 ноября 1941г. (Рис.50)


Рис.50 – Танки Stuart I вступают в игру.
Первый бой с участием этих машин зафиксирован у Габр-Салеха 19 ноября. В столкновении 8-го гусарского полка с немецким 5-м танковым полком 21-й танковой дивизии безвозвратные потери британской 4-й бронетанковой бригады составили 23 танка Stuart I. Немецкие потери составили 2 сгоревших танка и 6 поврежденных. После новых ожесточённых боёв, последовавших на следующий день, в которых принимали участие уже все вооружённые танками Stuart британские части, в строю осталось всего 98 M3. К окончанию боёв 23 ноября, 7-я дивизия потеряла более 3/4 своих танков и имела в строю всего около 35 танков Stuart. (Рис.51)

Рис.51 – Подбитые и сгоревшие танки Stuart I.
Несмотря на столь откровенный результат, генерал-лейтенант Жиффар Мартель, в то время командующий Royal Armoured Corps и крестный отец британских крейсерских танков, отметил положительные стороны этой машины в части механической надежности и удобства работы экипажа (- вероятно, по сравнению с новейшим британским крейсером Crusader). В отношении удобства работы экипажа встречается интересной замечание – британские экипажи меняли функции членов экипажа. Второстепенные функции командира танка (заряжающего) возлагались на стрелка-радиста, а командир перемещался в кормовую часть башни для ведения наблюдения из командирской башенки. Вероятно, такой вариант рассадки был возможен в башнях, не имевших вращающегося полика. Тем не менее, глобальные недостатки Stuart I были налицо - как орудийная платформа он был хуже Crusader, особенно это касалось стрельбы с хода; малый запас хода.
К концу 1941г. в Северную Африку направили 578 легких танков М3, однако с насыщением британских войск средними танками американского производства и новыми вариантами крейсеров типа Crusader танки Stuart старались не использовать в первой линии, выделяя их в качестве дозорных, разведывательных машин. Окончательно эта роль за ними закрепилась к лету 1942г. Ко времени сражения при Эль-Аламейне в октябре-ноябре 1942г. в британских войсках числилось 128 машин типа Stuart, что составляло около 11% от общего числа танков британской армии в Северной Африке. (Рис.52)

Рис.52 – Британский Stuart I из состава 7-й бронетанковой дивизии, Египет, март 1942г.
Танки Stuart I и Stuart II участвовали в боевых действиях до конца африканской кампании и, возможно, в Бирме. Танки Stuart III британцы применяли до конца войны в Европе. (Рис.53)
Рис.53 – Пишут, что это британский Stuart III, возможно, в Нормандии.
Британцы вооружали этими машинами австралийские части. Всего австралийцы получили 400 (370) танков типа М3, большинство из которых были со сварными башнями D39273. (Рис.54)

Рис.54 - Танки Stuart I в австралийской армии. Обвес почти африканский, но без противопылевых экранов.
Эти танки состояли на вооружении Австралии долго, пишут: «часть их них дожила до наших дней» - вероятно, в качестве музейных экспонатов.
Получали М3 Stuart и канадские бронетанковые дивизии. Канадцы, вероятно использовали их в качестве учебных в 1941-1943гг., находясь на территории Англии. (Рис.55)

Рис.55 – Stuart I из состава 5-го танкового полка 5-й канадской танковой дивизии на учебных занятиях в Великобритании. 1943 г.
О количестве танков типа Stuart I полученных канадцами судить сложно, поскольку, вероятно, их число входит в общее количество танков, поступивших из США в адрес британского правительства.
С июня 1942г. по июль 1943г. в Новою Зеландию, в распоряжение территориальной армии поступила 401 единица танков M3 Stuart в вариантах: Light Tank M3 с башней D58101, известный как Stuart Hybrid или M3 Hybrid Light Stuart (109 шт.) и Light Tank M3А1 с бензиновым двигателем, он же Stuart III (292 шт.). С 1944г. машины M3 Stuart, по большей части, находились на хранении. Официально сняты с вооружения в 1955г. – в некоторых источниках указывают 1953г.
Южноафриканские части, входившие в состав британских войск после окончания войны, видимо, отправились домой вместе с материальной частью. В 1946г. был образован Южноафриканский бронетанковый корпус. Встречается, что это формирование продолжало использовать М3А1 в качестве резерва до 1955г. Некоторые из этих легких танков в 1962г. (в 1961г. ЮАР стала независимой) были отремонтированы и оставались на вооружении уже независимой ЮАР до 1964г. Окончательно выведены из эксплуатации в ЮАР в 1968г., как пишут, из-за нехватки запчастей. Из Южной Африки некоторые М3 проникли в другую британскую колонию – Южную Родезию, где, видимо, применялись против местного населения. (Рис.56)

Рис.56 – Танк типа М3 в Военном музее Зимбабве (Южная Родезия прекратила своё существование в 1980г. – с 1980г. Зимбабве). Видимо, перед нами танк после ремонта, постигшего его в 1962г. в ЮАР – например, бросается в глаза новая орудийная маска, и орудие выглядит как-то по-новому (-?).
Сообщают, что в 1942-1943/44гг. британцы передали Турции около 150-200 или 210 танков Stuart, скорее всего, ранних модификаций. Однако эта информация выглядит не слишком достоверной, во всяком случае, требует фактических подтверждений, которых я не нашел.
В 1945-1946гг. британская армия применяла танки М3А1/М3А3 в Индонезии. В 1946г. британцев сменили голландцы, точнее части Королевской армии Нидерландов в Ост-Индии (Royal Netherlands East Indies Army). Англичане передали им свои легкие танки. Голландцы использовали танки М3А1/М3А3 против местных националистов в боевых действиях до 1949г. После окончания конфликта некоторые из британо-голландских танков перешли в индонезийскую армию.
СССР.
СССР числится вторым по объемом поставок танков Light Tank M3/M3А1.
Согласно документам, 9 октября 1941 года была достигнута договорённость о закупке Советским Союзом 94 Light Tank M3, а также боеприпасов и запасных частей. (Рис.57)

Рис.57 – Документ от 9 октября 1941г. о приобретении 94 легких танков М3
Стоимость американского танка составляла 42
787 долларов США, или 226 771 рубль по курсу 1940 года. Вопрос о цене танка
имеет свою подоплеку. Еще до того, как заработала программа ленд-лиза, советская
сторона искала возможности решить вопрос поставок путем прямых закупок.
Фактически то, что поступало по ленд-лизу, по отношению к М3л (так в СССР часто
обозначали легкие танки типа М3) стало
работать с 95-й машины, с мая 1942 года, а первые 94 машины, таким образом,
были куплены за прямой расчет.
Согласно первому контракту, на каждые 3 танка полагался полный комплект запасных агрегатов, на каждые 20 танков приходилось по 1 запасному орудию, пулемёту и комплекту оптических приборов. Спустя месяц начал обсуждаться вопрос об американских военных специалистах, которые должны были обеспечивать эксплуатацию поставляемых танков.
Первая поставка датируется 20 декабря 1941г., когда в Архангельск прибыл конвой PQ-6, состоявший из восьми транспортов, на борту которых, помимо прочего, находился 31 танк Light Tank M3 – в некоторых источниках утверждают, что в первой партии прибыло 46 танков данного типа. (Рис.58)

Рис.58 – Справка от 15 января 1942г. о поступлении американских и английских танков на баланс РККА.
В ней содержится информация и об американских легких танках Light Tank M3, однако по ошибке они значатся в документе как Light Tank M2А4.
Все машины, закупленные в октябре 1941г. были новыми, их сдали в
сентябре 1941г. В источниках можно встретить, что часть машин (WD-номера
T.37231-T.39230) были из пула, первоначально назначавшегося для британцев и
более того некоторые из них (- уже в Британии?) были доведены до британского
стандарта Stuart I (установлены британские
радиостанции).
Всего в адрес СССР с января 1942по апрель 1943гг. было отгружено 1676 танков модификаций Light Tank M3 (надо заметить, что М3 с клепаными башнями D37182 не поставлялись) и Light Tank M3А1.
Таблица – Поставка танков Light Tank M3/M3А1 в СССР.
|
Light Tank M3 |
1336 |
|
Light Tank M3А1 |
340 |
|
|
1676 шт.° |
°Встречается, что в это число входило не менее 211 дизельных танков, но не установлено, были это М3 или М3А1. Однако в ряде источников упоминается, что хотя советские запрашивали поставку танков с дизельными двигателями Guiberson T-1020–4, танки с дизельными моторами в СССР не поставлялись.
В СССР прибыло 1232 танка обеих модификаций, т.е. в пути было потеряно 444 машины. Прибывающие северными конвоями танки отправлялись в Горьковский учебный центр. После разгрома каравана PQ-17 была организована поставка танков по южному маршруту, через Баку. Поступающие оттуда машины отправлялись в Бакинское танковое училище. В РККА танки называли «М3 легкий» или «М3л», без отличия модификаций.
Таблица – Поступление танков «М3 легкий» или «М3л» по данным приемных комиссий ГБТУ.
|
Место прибытия |
1942г. |
1 |
2 |
3 |
4 |
5 |
6 |
7 |
8 |
9 |
10 |
11 |
12 |
итог |
|
Север |
|
46 |
11 |
|
38 |
178 |
147 |
84 |
|
104 |
|
|
71 |
679 |
|
Юг |
|
|
|
|
|
|
|
|
|
57 |
15 |
130 |
96 |
298 |
|
|
|
|
|
|
|
|
|
|
|
|
|
|
|
977 |
|
|
1943г. |
|
|
|
|
|
|
|
|
|
|
|
|
|
|
Север |
|
40 |
|
|
|
|
|
|
|
|
|
|
|
40 |
|
Юг |
|
125 |
37 |
37 |
16 |
|
|
|
|
|
|
|
|
215 |
|
|
|
|
|
|
|
|
|
|
|
|
|
|
|
255 |
|
|
|
|
|
|
|
|
|
|
|
|
|
|
|
1232 |
С мая 1943 г. поставки танков Light Tank M3/M3А1 в СССР прекратились.
Первые отзывы из частей, осваивающих М3л, стали поступать в марте 1942 года. Среди обнаруженных дефектов самым серьёзным оказались проблемы с двигателем. Из-за плохой регулировки не работал ограничитель оборотов мотора, а при обратном выхлопе нередко случалось возгорание шлангов, которые соединяли всасывающие патрубки карбюратора с воздуховодами от воздушного фильтра. Причиной тому стал конструктивный дефект - шланги располагались слишком низко. При запуске двигателя бензин попадал на всасывающую дюритовую трубу, скапливался на шлангах и постепенно их разъедал, а при обратных вспышках воспламенялся. Чтобы устранить этот недостаток, специалисты НИИБТ полигона предложили заменить всасывающую трубу на более совершенную конструкцию. (Рис.59)

Рис.59 – Ситуация с патрубками.
Имелись проблемы с включением первой передачи. Кроме того, на башне одного танка обнаружили трещины, а на двух были сорваны петли люков. Возникшие проблемы стали решать при помощи американских специалистов. Силами «Амторга» была переведена инструкция по эксплуатации. Одновременно повысили контроль за комплектацией поступающих танков. Особенно это касалось радиостанций, которых не оказалось на части танков (- штатно, радиостанции устанавливались не на все танки типа М3), также отсутствовали ТПУ (танковые переговорные устройства). Довольно остро стоял вопрос с запасными частями, по этому поводу велась обширная переписка. Что касается проблем с высококтановым бензином, необходимым для этих танков, то вместо американского бензина с октановым числом 80 для него было предложено использовать бензин Б-78, либо Б-70 с присадкой Р-9. (Рис.60)

Рис.60 – Согласование об использовании в качестве топлива на американских танках бензина с пониженным октановым числом.
При запуске мотора следовало не допускать переливания бензина во всасывающие трубы, поскольку это грозило пожаром. Пишут также, что первое время к 37-мм пушке танка не поставлялись фугасные снаряды.
Вероятно, для исследования проблем в мае 1942г. организовали испытания одного танка М3л с башней D38976 – по факту это был Light Tank M3. (Рис.61)


Рис.61 – Испытуемый НИИБТ Полигоном танк Light Tank M3 со сварной башней D38976.
Судя по отсутствию антенны, на этом танке нет радиостанции.
Помимо обычной программы, были проведены сравнительные испытания с Medium M3, Pz.Kpfw.38(t) Ausf.E, Pz.Kpfw.III и Valentine VII. Также проводились испытания танков на проходимость по болотистой местности, где к ним присоединились советские легкие танки Т-60 и Т-70. Ходовые испытания были дополнены изучением возможности пушечного вооружения танка. В заключение было проведено исследование конструкции корпуса танка, а также материалов, из которых его изготовили.
Сначала танк отправился в пробег, протяжённость которого должна была составить 1000 километров, из них 300 по шоссе, 500 по просёлочным дорогам и 200 по бездорожью. Реально с 1 по 13 мая машина прошла 420 километров (225 по шоссе, 132 по проселку и 63 в условиях бездорожья). Этого оказалось вполне достаточно, чтобы оценить ходовые качества американского лёгкого танка. Максимальная скорость М3л составила в одном случае 58 км/ч, а в другом – 59,2 км/ч. Американская машина оказалась самой быстрой из всех испытуемых вместе с ней танков. Средняя скорость танка по шоссе составила 37,5 км/ч, по просёлку 22,1 км/ч, а по бездорожью 17,3 км/ч. Топлива при этом М3л потреблял немало, особенно для лёгкого танка. По шоссе на 100 км расходовалось 135,5 литров, по просёлку 198, а по бездорожью – 347 литров высокооктанового бензина типа Аи92. При этом, объём топливного бака составлял всего 200 литров. Отмечалось, что управление танка оказалось лёгким, и обзор с места механика-водителя был очень неплохим.
Во время испытания пробегом плохо зарекомендовали себя резинометаллические гусеницы. Опорная поверхность траков была гладкой и на глинистых грунтах особенно на подъёмах конструкция сцепление с грунтом было недостаточным. M3л не смог преодолеть 25-градусный подъём. При этом было очевидно, что мощности двигателя хватало с большим запасом. (Рис.62)

Рис.62 – Испытания на подъем.
Ещё одной проблемой для американского танка оказалось преодоление 25-градусного уклона. В ходе его прохождения произошло спадание гусеницы, причина чего также была в конструкции трака. Также наблюдался перегрев двигателя, приведший к неожиданному последствию. После 40-минутного марша мотор, у которого выключили зажигание, продолжал работать. Проблему не выключения мотора предлагалось решать путём снижения оборотов до 800–900 об/мин в течение 3–5 минут, а затем понижением до 400–500 об/мин на 2–3 минуты.
Следующим этапом стало сравнительное испытание, проведённое в июле 1942 года. В ходе него М3л разогнался ещё быстрее – до 60 км/ч – следствие большой удельной мощности. Средний расход топлива по шоссе, просёлку и бездорожью составил на этот раз 136, 176 и 246 литров соответственно. Запас хода по бездорожью оказался меньше 100 км. Интересно, что Pz.Kpfw.III Ausf.H на испытаниях показал расход топлива 215, 280 и 335 литров соответственно, а запас его хода по бездорожью составил всего 95 километров. Испытания в летних условиях показали, что американский лёгкий танк имеет всё те же проблемы на подъёмах. На подъёмах круче 40° у М3л наблюдалось недостаточное сцепление с грунтом. Не помогла даже установка шпор, после которой машина стала не соскальзывать, а рыть грунт. (Рис.63)

Рис.63 - Результат испытаний на движение с креном.
Впрочем, у остальных танков характеристики по подъёму оказались не лучшими. При движении по броду глубиной 1,4 метра танк смог выбраться на берег только со второй попытки. (Рис.64)


Рис.64 – Преодоления брода и выход танка на берег.
Между тем, Medium M3 при попытке выхода из воды заглох и его пришлось вытаскивать трактором. То же самое случилось и с Valentine VII. Pz.Kpfw.III Ausf.H не смог и этого, поскольку его моторное отделение залило водой при прохождении брода глубиной 1,3 метра, и танк прошёл всего 30 метров. Pz.Kpfw.38(t) Ausf.E преодолел вброд 35 метров.


Рис.65 – Испытания на болотистой местности.
Medium M3 застрял, преодолев 30 метров; Pz.Kpfw.III Ausf.H преодолел 50 метров и тоже завяз. Для Valentine VII и Pz.Kpfw.38(t) Ausf.E болото не оказалось проблемой, они также прошли по свежему болоту. Позже был проведён второй этап, в котором вместо Pz.Kpfw.III Ausf.H и Valentine VII использовались лёгкие танки Т-60 и Т-70. Результаты оказались теми же. М3л снова был лидером. Что же касается «новичков», то они в принципе болото преодолевали, но в ходовую часть забивалась трава, что и стало причиной застревания Т-70 в ходе одной из попыток.
Испытания пушечного вооружения также проводились в сравнительном режиме. В их ходе выяснилось, что советская 45-мм пушка, а также английская 2-фунтовая (40 мм) пушка не пробивают бронебойными снарядами плиты толщиной 50 мм. 37-мм американская пушка M5 с дистанции 100 метров пробивала и 50-мм лобовую плиту StuG III Ausf.B, и 50-мм (25+25 мм) лоб Pz.Kpfw.38(t) Ausf.E. Мощности орудия вполне хватало, чтобы успешно бороться со всеми танками противника, выпускавшимися в 1941 году. (Рис.66)

Рис.66 – Результаты стрельбы американского 37-мм танкового орудия.
Изучение бронирования (Рис.67) и химического состава брони танка М3л открыло, что в ее составе много присадок никеля и молибдена.

Рис.67 – Схема бронирования танка Light Tank M3, составленная советскими специалистами.
Еще одна оценка танка М3л поступила в ГАБТУ КА 23 июня 1942 года от генерал-лейтенанта В. С. Тамручи, вероятно, суммировавшая первый боевой опыт применения этих танков в войсках во время Харьковской операции. (Рис.68)

Рис.68 – Из отчета В.С. Тамручи.
Согласно его отчёту, американский лёгкий танк обладал хорошей манёвренностью и управляемостью. В отношении резинометаллической гусеницы сообщалось, что в сухую погоду она обеспечивала возможность подъёма на склон крутизной до 30°. При этом она делала ход танка значительно менее шумным. Правда, в целом ходовая часть была признана слабой, а в сырую погоду резиновые гусеницы приводили к пробуксовкам и соскальзыванию с курса. Бронирование корпуса позволяло выдержать на дальних дистанциях попадание снаряда 37-мм немецкой пушки. Вместе с тем, танк получился слишком высоким, что делало его хорошей мишенью. Высокий и узкий корпус в сочетании с узкой гусеницей привёл к тому, что танк на углах крена 20° и больше был склонен к опрокидыванию. Из-за вертикального расположения листов рикошеты были редкостью. По мнению Тамручи, запас мощности позволял установить на танк дополнительную экранировку. Были у него претензии и к мотору, которые в целом повторяли те, что описывались выше. Ещё одним важным недостатком оказалось наличие внутри боевого отделения большого количества резины, призванной защитить экипаж от травм. На практике эта самая резина часто становилась причиной пожара, так что в войсках её старались из танков убирать. Вооружение было признано мощным, но при этом целесообразность размещения пулемётов в надгусеничных полках вызывала обоснованные сомнения. К тому же при установке на танк радиостанции требовалось снять один пулемёт и укладку на 48 снарядов.
В источниках можно встретить информацию о динамике поступлений танков Light Tank M3А1 отдельно от М3. Как правило указывают, что первые Light Tank M3A1 прибыли в Советский Союз в конце 1942 года. Однако встречается, что в августе 1942г. поступило 40 танков М3л без перископа командира в крыше башни, вместо которого зияла дыра. (Рис.69)

Рис.69 – Схема башни с дырой вместо перископа.
Отверстия под перископы появились в башнях D58101, которые моги устанавливаться и на поздние варианты Light Tank M3 (Рис.70), но внешне башни D58101, которые монтировались на танки M3 и башни D58133 уже с штатно установленными перископическими приборами, которыми комплектовались М3А1, были очень похожи.


Рис.70 – В источниках указывается, что на фото Light Tank M3 с башней D58101, правда, никой дыры в башне не наблюдаю.
Что касается дыр в башнях танков, поступивших в августе 1942г., то их просто заделали металлом.
За январь 1943 года прибыло 165 танков Light Tank M3A1, из них 125 было поставлено по южному пути. Месяцем спустя пришло 37 танков. В апреле поступили последние танки этого типа, всего за 1943 год прибыло 255 M3A1.
В декабре 1942г. Главное автобронетанковое управление РККА (ГАБТУ) провело
испытания американского легкого танка в модификации M3A1. В качестве опытного
образца выбрали серийную машину с регистрационным номером U.S.A. W-3011743. Проходила эта машина под обозначением «М-3 Легкий выпуска
1942 года». (Рис.71)






Рис.71 – Серийный танк M3A1 с регистрационным номером U.S.A. W-3011743 в разное время года.
Советские специалисты отметили сварную башню и частично сварной корпус танка, хотя клепка все еще продолжала использоваться в конструкции корпуса. Помимо этого, испытатели НИИБТ Полигона обратили внимание на дополнительный масляный фильтр и термостат. Удостоился их внимания и дополнительный зарядный агрегат, который американские инженеры разместили под полом башни. По описанию танка, советские определили командиром танка наводчика, в то время как у американцев командир совмещал свои обязанности с ролью заряжающего. Устройство башни и боевого отделения подверглось критике. Расположение телескопического прицела советские специалисты признали неудачным, потому как он находился слишком низко и далеко. Кругового обзора с места наводчика не обеспечивалось. Телескопическим прицелом M5A1 стало крайне сложно пользоваться. Испытатели заявили, что для этого возможностей человеческого организма недостаточно - нужна шея, как у жирафа. Раньше такой проблемы не возникало, поскольку отсутствовала корзина. Теперь же единственным способом прицеливания становился перископический прицел M4. Слева и сзади что-то можно было видеть через смотровые лючки (в них имелись призматические смотровые приборы). (Рис.72)

Рис.72 – Обзорность из башни.
Претензии возникли и к механизмам поворота башни. С одной стороны, время полного оборота башни уменьшилось с 52 (у варианта М3) до 16 секунд. Но помимо скорости, важным для наводки параметром является точность, и с этим у гидравлического привода башни имелись проблемы. Что же касается ручного поворота башни, то неудобное расположение механизмов поворота, наличие люфта и неудобная поза быстро утомляла наводчика. У заряжающего (в американской версии он же и командир) доступ к боекомплекту оказался затруднён. Согласно отчёту, заряжающему для подачи боеприпасов требовалась помощь остального экипажа. Кроме того, вызвали недоумение разнесённые по разным бортам блоки радиостанции. Условия работы экипажа были признаны ухудшившимися, критике подверглись и маленькие по размеру люки башни. Не самыми удачными были и рукоятки открывания боковых смотровых приборов. Длинные и торчащие в районе головы, они вполне могли стать причинами травмы командира и заряжающего. А вот гироскопический стабилизатор орудия произвел фурор. Его работу оценили в ходе специальных испытаний, которые предусматривали стрельбу как с места, так и с хода, на скорости 15 км/ч. Выяснилось, что при выключенном стабилизаторе ведение прицельного огня из орудия практически невозможно. Скорострельность при этом достигала всего 3,5 выстрела в минуту. При ведении огня с включенным стабилизатором скорострельность вырастала до 5-6 выстрелов в минуту, одновременно увеличивалась меткость огня. Авторы подчеркивают - стабилизатор с американского лёгкого танка стал основой для разработки советских стабилизаторов.
Общие выводы по конструкции танка М3А1 оказались следующими:
«1. По своим тактическим и
эксплуатационным данным танк М3 – легкий выпуска 1942 г. равноценен М3 легкий
выпуска 1941 г.
2. Теснота размещения экипажа в
боевом отделении, неудобство расположения механизмов наведения и наличие люфтов
вооружения снижают боевые качества танка.
3. Гидравлический механизм
поворота башни из-за недостаточной чувствительности не обеспечивает точной
наводки пушки на цель.
4. При стрельбе с хода
гироскопический стабилизатор повышает скорострельность пушки до 5–6 выстрелов в
минуту и увеличивает меткость огня.
5. Незначительные по величине
размеры шкалы углом прицеливания перископического прицела затрудняют
корректировку и пристрелку по целям.
6. Телескопический прицел
установлен низко, пользоваться им для стрельбы из спаренной установки
невозможно.
7. Доступ к боекомплекту, расположенному в боевом отделении неудобен. Доступ заряжающего к боекомплекту, уложенному в нишах подбашенной коробки танка, затруднен и требуется помощь остального экипажа для подачи боеприпасов».
За время ходовых испытаний с 18 декабря 1942 года по 21 февраля 1943 года танк прошёл 929 километров. На первом этапе было пройдено 369 километров, из них 172 км по шоссе, 75 по проселку и 122 по бездорожью. На заснеженном шоссе максимальная скорость танка достигла 59, 2 км/ч. Машина показала среднюю скорость по шоссе 45,2 км/ч, по проселку 27 км/ч и по заснеженной целине 22,3 км/ч, при этом расход топлива составил 130, 217 и 252 литра на 100 км пути соответственно. По снежной целине машина могла идти на 3-й передаче, для движения на более высокой передаче уже не хватало мощности двигателя. При заезде в канаву машина не смогла выехать из неё, поскольку оказалось недостаточным сцепление резинометаллических гусениц с дорогой. При повторении попыток покинуть канаву произошёл сброс левой гусеничной ленты. (Рис.73, Рис.74)

Рис.73 – М3А1, застрявший в канаве на заснеженной целине.

Рис.74 – Забившийся снег стал причиной сброса гусеницы.
Позже ходовые испытания продолжились со шпорами, установленными на каждом траке. С ними танк прошёл 391 километр, из которых 234 километра по шоссе, 97 по проселку и 60 по заснеженной целине. Максимальная скорость снизилась до 39,6 км/ч, а средняя – до 33,4, 23,4 и 19,8 км/ч соответственно. Подрос расход топлива – до 184 литров на 100 км на шоссе, 260 по проселку и 316 по целине. Выяснилось, что шпоры улучшают сцепление с дорогой, но при этом, помимо повышения расхода топлива, наблюдалась тряска.
Кроме того, был пройден 169 км по шоссе со шпорами, установленными по 5 шпор на ленту. При уменьшении количества шпор тряска заметно снизилась, при этом проходимость осталась на приемлемом уровне. (Рис.75, Рис.76)

Рис.75 – Танк со шпорами уверено преодолевает заснеженный косогор.

Рис.76 – Танк на шпорах уверенно держит бортовой кулон.
По итогам испытаний был сделан вывод, что при езде с установленными
шпорами скорость движения снижается на 21-26%, а расход топлива вырастает на
20-30%. Вместе с тем, испытатели указывали на то, что установка шпор
необходима, особенно в условиях бездорожья. При этом отмечались случаи утери
шпор в виду разбалтывания их креплений. (Рис.77)

Рис.77 - Поломка
креплений шпор.
В РККА танки Light Tank М3/M3A1, благодаря своим высоким ходовым качествам, поступали в танковые бригады и отдельные танковые батальоны (пишут также, танковые полки), прикрепленные к кавалерийским дивизиям. Батальоны могли иметь как однородный состав, так и смешанный (обычно к М3л добавляли М3с – он же Medium M3). Танки М3л активно применялись на многих фронтах.
Впервые американские лёгкие танки применялись Красной армией в мае 1942 года, во время Харьковской операции. По-настоящему массово танки типа М3л начали применять ближе к концу июля 1942 года, когда насыщенность этими машинами стала высокой. Летом 1942г. танки Light Tank M3 появились в составе Воронежского фронта. Однако большинство танков МЗл в 1942г. было сосредоточено в частях и соединениях Северо-Кавказского и Закавказского фронтов. (Рис.78)

Рис.78 - Танки М3л из состава 258-го ОТБ, Северный Кавказ, начало сентября 1942 года.
Интересно, что М3л стали первыми советскими танками, вступившими в бой с немецкими в сражении на Курской дуге — уже в ночь с 4 на 5 июля танки 245-го отдельного танкового полка приняли на себя удар немецких войск, а 11 июля М3л из этого полка приняли участие в Прохоровском сражении. Машины типа М3л применялись в РККА до конца ВОВ. Так, например, по состоянию на 25 марта 1945 г. в составе 1-й конно-механизированной группы 2-го Украинского фронта имелось 20 танков МЗл. Из наличествующих на 1 июня 1945 года 145 танков М3л, 32 были во фронтовых частях, 59 в военных округах и 54 на ремзаводах. (Рис.79)
Рис.79 – М3Л с башней D39273, весна 1945 года.
Табл. – Динамика поступления, потерь
и наличия танков «М-3 легкий» в РККА.
|
|
Поступило |
Списано |
Наличие |
|
1.1.1943 |
977 |
513 |
464 |
|
1.1.1944 |
255 |
295 |
424 |
|
1.7.1944 |
|
141 |
283 |
|
1.1.1945 |
|
80 |
203 |
|
1.6.1945 |
|
58 |
145 |
Сообщают, что один М3л в 1945г. в составе Забайкальского фронта участвовал в
боевых действиях против Японии.
Помимо Британии и СССР американцы поставляли танки типа Light Tank M3/М3А1 и в другие страны. Встречается статистика поставок танков Light Tank M3/М3А1 в «другие страны».
Таблица – Поставки танков типа Light Tank M3/М3А1 по программе ленд-лиза в «другие страны».
|
Light Tank M3 |
10 |
|
Light Tank M3 (diesel) |
120 |
|
Light Tank M3A1 |
499 |
|
Light Tank M3A1 (diesel) |
20 |
|
|
649 шт. |
Таблица – Поступление танков Light Tank M3/М3А1 в страны Латинской Америки.
|
Бразилия |
130 шт. Light Tank M3° 220 шт. Light Tank M3А1° |
|
44 шт. Light Tank М3А1 |
|
|
Эквадор |
42 шт. Light Tank М3А1 |
|
Чили |
30 шт. Light Tank М3А1 |
|
Боливия |
18 шт. Light Tank М3А1 (4 шт. получены из Венесуэлы) |
|
Колумбия |
12 шт. Light Tank М3А1 |
|
Куба |
12 шт. Light Tank М3А1 |
|
Парагвай |
6/5 шт. Light Tank М3 6/5 шт. Light Tank М3А1 |
|
Гаити |
8 шт. Light Tank М3А1 |
|
Сальвадор |
6 шт. Light Tank М3А1 |
|
Мексика |
4 шт. Light Tank М3А1 |
|
Венесуэла |
не мене 4-х Light Tank М3А1 |
|
Никарагуа |
4/3 шт. Light Tank M3/М3А1 |
|
Гватемала |
3 шт. Light Tank M3/М3А1 |
|
Доминиканская Республика |
? шт. |
Встречается, что в Бразилии машины служили «до наших дней» (- 1990-е?), но, скорее всего, речь идет уже о модернизированных танках, а машины в «родной» конфигурации сошли со сцены в 1970-е годы. (Рис.80, Рис.81)

Рис.80 – Бразильские Light Tank M3 с башней D58101.

Рис.81 – Знатоки находят, что это бразильские М3А1, 1961г.
В 1970-х годах в Бразилии была предпринята модернизация всё ещё стоявших на вооружении танков M3A1. Танки были серьёзно переоборудованы, получив, среди всего прочего, новую башню с 90-мм пушкой DEFA D-92A 90F1. Новая машина получила обозначение X1A. К 1978 году было переоборудовано 80 экземпляров.
Редко встречаются точные сведения о датах поставок американских легких танков типа М3 в страны Латинской Америки. Можно предположить, что в Бразилию поставки танков типа М3 начались еще в период их серийного производства в 1941-1942гг, поскольку Бразилия входила в клуб стран антигитлеровской коалиции, и для нее также действовали правила ленд-лиза. Пишут, также, что в Мексику машины М3/М5 начали поставляться с 1943г. В отношении других латиноамериканских стран конкретики мало. Считается, что американцы оправляли в эти страны свои легкие танки уже после войны (примерно, в 1945г.) - «раздавали ненужные танки лояльным режимам», видимо, для усиления их полицейских сил. Но Уругваем машины были получены в 1944г.
Танки типа Light M3 ожидала длительная служба в странах Латинской Америки - до конца 1990-х годов (известно, что в Никарагуа машины вывели из строя несколько раньше – в 1979г.). В 1969г. сальвадорские танки типа М3 отметились в «футбольной войне» с Гондурасом – непосредственным поводом к войне послужил проигрыш команды Гондураса команде Сальвадора. Сальвадор вторгся в Гондурас, нанеся тотальный военный удар, используя M3 Stuart в качестве основного боевого танка. Сальвадор захватил восемь крупных городов до того, как Организация американских государств договорилась о прекращении огня. Война продлилась всего 100 часов, однако погибло несколько тысяч человек. (Рис.82)

Рис.82 – Сальвадорский М3А1 в захваченном гондурасском городе Нуэва-Окотепеке (Nueva Ocotepeque).
В Парагвае американские легкие типа М3 (5 М3 и 5 М3А1) числились на вооружении по состоянию на 2014 год! (Рис.83)

Рис.83
– Танки M3 в День Независимости, Asunción (Paraguay), 2001г.
После войны США предоставляли свои легкие танки армиям некоторых европейских стран. Возможно, танки типа М3 могли попасть в армии Италии, Португалии, Бельгии, но, представляется, что американцы после войны снабжали своих потенциальных европейских союзников легкими танками, преимущественно, более поздних вариантов: М3А3, М5А1.
Увы, машины типа Light M3 использовали не только союзники по антигитлеровской коалиции. В 1941-1943гг. некоторое количество танков типа Light Tank M3/М3А1 попали в руки немцев, как в Африке, так и на Восточном фронте. Вероятно, первый такой факт фиксируется декабрем 1941г., когда вермахту достался первый М3 в британской конфигурации Stuart I. (Рис.84)

Рис.84 – Трофейный Stuart.
Немцы изучили машину. (Рис.85)

Рис.85 – Немецкое описание Light Tank M3, Stuart.
Считается, что танкам этого типа немцы присвоили официальное обозначение Pz.Kpfw. M3 747 (a) (или Pz.Kpfw. M3 740 (a)), но некоторые авторы подчеркивают, что это «не точно». Есть сведения, что в Северной Африке немцы начали использовать американские легкие с весны 1942г., но количество введенных в строй машин неизвестно. В руках немецкого оператора танки могли быть и в родном камуфляже, но с крестами, и полностью перекрашенными.
На Восточном фронте танки типа Light Tank M3/М3А1 начали попадать к немцам с лета 1942г. (Рис.86)


Рис.86 – Немецкие захватчики рядом с танком Light Tank M3, Восточный фронт. Вверху –
сентябрь 1942 года, М3Л из 258-го ОТБ. Внизу - июль 1942г.
Япония. Японцы в конце 1941г. на о. Лусон (Филиппины) захватили материальную часть американских 192-го и 194-го танковых батальонов, вооруженных легкими танками Light Tank M3. (Рис.87)

Рис.87 – Ряд трофейных танков M3 Императорской японской армии (IJA).
Пишут, что японцы использовали эти танки на Филиппинах и в сражении при Импхале (март-июль 1944г.). Считается, что в строю японской армии легкие танки М3 продержались до 1945г.
САУ на шасси танков Light Tank M3/М3А1.
15 сентября 1941 года были инициированы работы
по размещению 76-мм зенитного орудия М3 на шасси Light M3. (Рис.88)

Рис.88 – 76-мм
зенитка М3.
Эта зенитка отлично подходила как средство борьбы с танками. Первый вариант такой
САУ получил обозначение 3-inch Gun Motor Carriage T20. Согласно имеющимся
данным, предполагалось несколько снизить высоту машины за счет установки спарки
автомобильных моторов Cadillac Series42, вместо большого по габаритам
авиационного двигателя Continental W-670. (Рис.89)

Рис.89 – Light M3E2 (более подробно
речь об этой машине пойдет ниже).
Как видно из
подписи к фото, машина предлагалась в качестве платформы для разработки 3-inch
Gun Motor Carriage T20.
Также альтернативой служили автомобильные моторы Packard. От последних,
впрочем, быстро отказались. В октябре 1941г. на
конференции по перспективам платформам САУ Light
Tank M3 был отклонен как платформа
для 76-мм орудия. 30 октября 1941 года Комитет по Вооружениям постановил проект
GMC T20 закрыть.
В ноябре 1941г. шасси Light Tank M3 предложили использовать под САУ с 75-мм танковым
орудием М3. Установить это орудие планировалось в облегченную башню танка –
башня Light М3 лишалась крыши и кормового листа. Данный проект
получил обозначение GMC T29. Разработка не достигла стадии эскизного проекта,
по требованию Министерства Снабжения работы по GMC T29 быстро закончились – в
апреле 1942г.


Рис.90 – Эскизный проект GMC T50.
На САУ предлагалось воплотить идею с облегченной башней. Броневая защита
обеспечивалась максимум от крупнокалиберных пулеметов, но взамен на шасси Light М3 казалось возможным водрузить
3-дюймовое орудие, при этом считалось, что машина должна была иметь высокую
подвижность. Согласно расчетам, максимальная скорость GMC T50 составляла 72
км/ч, а запас хода по шоссе - до 320 километров. Однако возникал вопрос
устойчивости машины - общая высота GMC T50 составляла 2565 мм.
Танко-истребительному командованию же хотелось машину с низким силуэтом,
поэтому оттуда пришло письмо, в котором указывалась необходимость снижения
силуэта, а также то, что можно обойтись и без кругового вращения башни –
посчитали достаточным иметь по 16° в каждую сторону для горизонтальной наводки
орудия.
24 июня 1942 года был представлен доработанный вариант GMC T50. (Рис.91)


Рис.91 – Вариант
GMC T50 от 24 июня 1942г.
Башню с машины убрали, а вместо нее
появилась установка 3-дюймового орудия M6 (вариант зенитки для установки в GMC
M5). Высота линии огня всё равно осталась большой (2082 мм, как и у исходного
проекта), но общая высота снизилась. Правда, при этом возникал вопрос, как
защитить расчет. Появилось понимание, что дело заходит в тупик. Официально
проект GMC T50 закрыли 17 февраля 1944 года (- возможно, в феврале 1943г., и,
скорее всего, не конкретно Т50, а всю тему 75/76-мм САУ на базе Light M3).
Югославы примерно в 1944г. переделали два танка М3А1 под самоходку 81-мм
мортиры (миномета). В то же время они могли переоборудовать одно или несколько
шасси М3А1 под САУ с немецкой 75-мм пушкой Pak 40, обозначалась SO-75.
В 1942г. на базе Light М3
разрабатывалась ЗСУ. На шасси предполагалось установить специальную башню
Maxson Corp. с четырьмя пулеметами калибра .50 (12,7 мм). Проект был отклонен.
В Бразилии в 1950-е (или в 1970-е) годы,
возможно, на шасси М3А1 выпускались ЗСУ Bernardini X1A
Anti Aéreo. (Рис.92)

Рис.92 – Изображение бразильской ЗСУ Bernardini X1A
Anti Aéreo на шасси М3А1.
Машины на шасси танков Light Tank M3/М3А1.
В 1941г. фирмой International Harvester на базе Light M3 началась разработка артиллерийского скоростного
тягача M5
High-Speed Tractor. Машина предназначалась для тяги артиллерийских
орудий массой до 7300 кг. и перевозки боеприпасов и расчета. M5 мог буксировать зенитные орудия (до 90 мм), 105-мм
гаубицы и 155-мм пушки М1 или прицеп М10. Тягач не имел брони. В передней части
М5 оснащались лебёдкой "Garwood" с тяговым усилием 6800 кг. В
кормовой части тягача устанавливался шестицилиндровый рядный бензиновый
двигатель Continental R6572 мощностью 235 л. с. при 2900 об/мин. Два
топливных бака общей емкостью 100 галлонов (454,61 л) размещались по обе
стороны от двигателя. Машина имела
штатное вооружение – 7,62-мм пулемет Browning M1919A4. Некоторое количество машин получило 12,7-мм
пулеметы Browning М2НВ. Максимальная скорость движения тягача достигала
55,3 км/ч. Запас хода 201 км.
M5 High-Speed Tractor выпускался в нескольких модификациях. Оригинальный М5 – открытый сверху корпус с
брезентовым тентом (soft top), место водителя по центру машины водитель
располагался спереди по центру, имелись сиденья, обращенные внутрь, для общего
расчета из 9 человек. После 1944 года машины оснащались кольцом M49C.
установка, позволяющая вооружить его пулеметом М2 Браунинг для местной и
противовоздушной обороны. (Рис.93)



Рис.93 – Базовая модель M5 High-Speed
Tractor.
Внизу с тентом.
После 1944 года машины оснащались кольцом
M49C. установка, позволяющая вооружить его пулеметом М2 Браунинг для местной и
противовоздушной обороны. (Рис.94)

Рис.94 - M5 High-Speed Tractor с зенитным пулеметом. На фото машина в руках
югославского оператора.
Производство началось в мае 1943г. За 24
месяца построили 5290 тракторов М5.
Вариант M5А1 High-Speed Tractor (в некоторых источниках пишуr, что строился на базе танка Light M5, следовательно, должен был иметь двигатель и
трансмиссию от Cadillac, но об этом нигде не уминается). Этот вариант имел
стальную кабину с водителем, перемещающимся вперед влево, внутри находились
сиденья для экипажа на 11 человек. (Рис.95)

Рис.95 - M5А1 High-Speed Tractor.
Строился в мае-августе 1945г. Всего было произведено
589 шт.
После Второй мировой войны строились
варианты М5А2 и М5А3. Это были обновленные варианты M5 и M5A1 с системой
подвески с горизонтальной спиральной пружиной вместо исходной подвески с
вертикальной спиральной пружиной и новыми гусеницами шириной 21 дюйм (53 см),
вместо гусениц шириной 11,625 дюйма (295,3 мм) и 11 5/8 дюйма. (Рис.96)

Рис.96 - М5А2 с новой подвеской.
На последней модификации – М5А4 была
изменена компоновка ящиков для боеприпасов и размещение мест для экипажа. (Рис.97)

Рис.97 - M5А4 High-Speed Tractor.
Армия США использовала тягачи типа M5 High-Speed Tractor вплоть до войны в Корее. (Рис.98, Рис.99)

Рис.98 – «Караван Паттона».

Рис.99 – В Корее.
В годы WWII помимо Великобритании, в 1944г. 200 тягачей M5 High-Speed Tractor были поставлены в СССР. (Рис.100)

Рис.100 - M5 High-Speed Tractor в РККА.
После войны тягачи типа M5 оказались в армиях многих стран мира: Австрии,
Бельгии, Франции, Голландии, Японии, Ливана, Пакистана, Югославии, ФРГ. В
некоторых случаях они использовались вплоть до 1960-х годов. (Рис.101)


Рис.101 – Послевоенные фотографии тягачей М5. Вверху –
французская машина, внизу – в Голландии.
С 1943г. боевая ценность танков типа Light Tank M3/М3А1 стала падать. Пишут, что, начиная с лета
1942г., британцы снимали с танков башню и крышу боевого отделения, превращая их
в бронетранспортеры типа Cangaroo (Stuart
Cangaroo). В
боевом отделении устанавливались скамьи для перевозки пехотинцев. (Рис.102)

Рис.102 - Stuart Cangaroo.
Такие машины
прикреплялись к британским бронетанковым бригадам.
Путем установки
дополнительного радиооборудования и другого специального оснащения англичане
приспосабливали Stuart Cangaroo в разведывательные машины (Stuart Recce), командирские и другие специализированные машины.
(Рис.103)

Рис.103 – Британские командирские
варианты на базе Light Tank M3/М3А1.
Слева на борту Stuart command фельдмаршал Монтгомери.
На командирской машине мог на турели устанавливаться .50 (12.7 mm) пулемет.
Подобные варианты практиковали и американцы.
Вероятно, совсем упрощенный вариант Stuart Cangaroo выступал в роли тягача 17-фунтового
орудия.
Немцы также снимали с трофейных танков типа Light Tank M3/М3А1 башни, применяя их в качестве тягачей. (Рис.104)

Рис.104 – Немецкий
197-й дивизион штурмовых орудий, лето 1942 года.
Допускают, что
этот танк ранее принадлежал советской 114-й танковой бригаде.
В 1942г. американцы на базе М3 разрабатывали минный тральщик с легким
минным взрывателем Т2. В том же году проект закрыли.


