
ПТ-1
СССР
Средний по массе колесно-гусеничный плавающий танк
|
14,2 т |
|
|
вооружение |
45-мм орудие 4 пулемета |
|
экипаж |
4 чел. |
|
мощность силовой установки |
580 л.с. |
|
проект |
1931-1932гг., Ижорский з-д, ЭКУ ОГПУ |
|
выпускался |
1932г., з-д «Красный пролетарий» 1 шт. опытный |
Основная статья: Советское танкостроение 1929-1937гг.
Многоликий средний, часть 2
В 1932г. началась проработка и плавающего
варианта среднего по массе колесно-гусеничного танка. Работы
велись в конструкторском бюро «КБ-Т», а точнее – в Автотракторном КБ
технического отдела экономического управления (ЭКУ) ОГПУ, на производственной базе з-да «Красный
пролетарий». Руководил проектом Н.А. Астров. (Рис.1)

Рис.1 – Николай Александрович Астров, 1906-1992гг. Профессиональный автомобильный конструктор. В 1929г. арестован, работал в ЦКБ-39 при Бутырской тюрьме. Впоследствии ведущий конструктор советских легких танков.
В качестве базы было выбрано шасси БТ-2.
Согласно предварительным расчетам, выполненным
на Ижорском з-де и з-де «Большевик», масса танка не должна была превышать 15
тонн. Условия плавания диктовали определенные технические решения, которые
отразились на конструкции машины. Для подвода мощности к ведущим каткам на колесном ходу
использовались понижающие редукторы, размещенные внутри самих катков. Движение
на плаву производилось с помощью двух гребных винтов, установленных в
специальных тоннелях в кормовой части корпуса. При проектировании танка предполагалось
управлять машиной на плаву путем выключения или реверсирования одного из
гребных винтов с помощью главного фрикциона при отсутствии водоходных рулей.
Управление дифферентом на плаву, согласно техническому проекту, производилось
за счет перекачки топлива из передних топливных баков в кормовые и обратно.
Перечисленные нововведения сказались на форме корпуса, который стал намного
выше и шире, чем у БТ. Для снижения силы сопротивления при движении на воде
изменили форму корпуса спереди - корпус танка получил в передней части
клинообразную форму, с изогнутым верхним лобовым листом («щучий нос»).
Считалось, что новый корпус обеспечит хорошую плавучесть, остойчивость и низкое
сопротивление движению на воде. Новая машина получила обозначение ПТ-1. (Рис.2)

Рис.2 – Общий вид плавающего танка ПТ-1.
Башня танка на рисунке изображена не корректно, следовало
более наглядно подчеркнуть выступавшую кормовую нишу.
Масса машины
составила 14200кг. Габариты: длина – 7100 мм, ширина – 2900 мм, высота – 2645
мм, клиренс – 265 мм. Бортовые катаные
бронелисты имели толщину 10 мм, лобовые – 15 мм, маска пушки – 20 мм. Броневой
корпус являлся сварной конструкцией. Компоновка
машины была классической: в носовой части отделение управления, в средней –
боевое отделение, в кормовой – моторно-трансмиссионное. Экипаж – 4 чел. В передней части корпуса слева располагался механик-водитель,
справа – стрелок-радист. Боевое отделение находилось в средней части. На крыше
была установлена башня. Башня ПТ-1
заметно
отличалась от башни БТ-2, она
проектировалась двухместной с небольшой кормовой нишей, в которой для
уравновешивания пушки устанавливался снарядный ящик. В башне, слева находился наводчик,
справа - командир танка, который также выполнял функции заряжающего. Посадка и
выход экипажа осуществлялись через один люк в крыше башни и два люка в крыше
отделения управления. В качестве основного вооружения планировалась 45-мм пушка
и 4 пулемета – один курсовой в лобовом элементе корпуса и три пулемета в башне.
Для ведения прицельной стрельбы использовался телескопический прицел
ТОП. Боекомплект
88 выстрелов и 3402 патрона (54 диска).
Пишут, что
специально для этой машины проектировался дизельный 300-сильный двигатель ПГЕ с
поршневым компрессором и прямоточной продувкой цилиндров. Приводится и другое
описание двигателя ПГЕ: двухтактный V-образный 6-цилиндровый мощностью 400 л.с.
(294 кВт). Одни пишут, что работы над дизелем ПГЕ велись в ОКМО завода
«Большевик» (з-д №174 им. Ворошилова) – по другим сведениям, проект и рабочие
чертежи по
заданию УММ от июня 1931г. разрабатывались силами Авто-танко-тракторного
бюро технического отдела ЭКУ ОГПУ в Москве, проект был выполнен в 1932г., и автор
проекта Б.А. Витт присвоил дизелю марку ПГЕ в честь зам. председателя ОГПУ Прокофьева
Г.Е. (Рис.3)

Рис.3 –
Дизельный двигатель ПГЕ, 1932г.
Однако дизель ПГЕ
не получился работоспособным агрегатом, поэтому на машину приспособили другой
силовой агрегат - авиационный,
двенадцатицилиндровый четырёхтактный V-образный карбюраторный двигатель М-17Ф
жидкостного охлаждения мощностью 580 л.с. (427 кВт). (Рис.4)

Рис.4 – Двигатель
М-17, советский клон немецкого BMW VI.

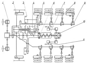
Рис.5 – Схема трансмиссии танка ПТ-1.
1 - реверсивная муфта включения гребного
винта; 2 - бортовая передача; 3 - тормоз двойного
дифференциала; 4 - двойной дифференциал; 5 - внутренний редуктор
управляемого колеса колесного хода; 6 - главный фрикцион; 7 -
двигатель; 8 - внутренний редуктор ведущего колеса колесного хода; 9 -
угловой редуктор привода колесного хода; 10 - привод вентиляторов системы
охлаждения со сдающим звеном; 11 - угловой редуктор привода вентилятора.
Движение на плаву производилось с помощью двух гребных винтов, установленных в специальных тоннелях в кормовой части корпуса. При проектировании танка предполагалось управлять машиной на плаву путём выключения или реверсирования одного из гребных винтов с помощью главного фрикциона при отсутствии водоходных рулей. Однако такая система оказалась практически непригодной из-за запаздывания и резкости действия при повороте. На опытном образце управление на плаву осуществлялось с помощью двух водоходных рулей жалюзийного типа. Управление дифферентом на плаву, согласно техническому проекту, производилось за счёт перекачки топлива из передних топливных баков в кормовые и обратно. Общая ёмкость топливных баков, один из которых размещался в корме, а другой в носовой части корпуса, составила до 400 литров (у БТ-2 – 360 литров). Мог использоваться только бензин 1-го сорта.
Управление машиной на колёсном ходу и на плаву осуществлялось с помощью рулевого колеса с сервоприводом следящего действия (гидроусилителем), на гусеничном — с помощью двух рычагов управления тормозами двойного дифференциала, выполнявшего функции центрального дифференциала на колёсном ходу и обеспечивавшего возможность движения танка при потере одной из гусениц. При преодолении водных преград поворотные патрубки выхлопных труб устанавливались в вертикальное положение, исключая попадание воды в выхлопные коллекторы.
Ходовая часть ПТ-1 состояла (применительно на один
борт) из следующих компонентов: 4-х сдвоенных опорных катков с индивидуальной
свечной подвеской, переднего направляющего колеса с механизмом натяжения
гусеницы и ведущего колеса заднего расположения с гребневым безроликовым
зацеплением с гусеницей. Крупнозвенчатая гусеница, выполненная по типу гусеницы
танка БТ, имела траки шириной 260 мм.
Электрооборудование машины было
выполнено по однопроводной схеме. Напряжение бортовой сети составляло 12 В. В
качестве источников электроэнергии использовались две аккумуляторные батареи
ЗСТЭ-128 напряжением 12 В, ёмкостью 128 А-ч и генератор мощностью 0,5 кВт.
Радиооборудование состояло из опытного образца радиостанции 71-ТК-1 с
поручневой антенной, которая устанавливалась по периметру корпуса машины.
Средств внутренней связи машина не имела.
Сборка машины
проводилась на заводе «Кранный пролетарий» и была завершена осенью 1932 года.
(Рис.6)



После заводской обкатки ПТ-1 показали
правительственной комиссии во главе с И.В. Сталиным. Вот как об этом
происшествии вспоминал сам Астахов уже в 1980-е годы на страницах журнала «За
рулем».
«Показ должен был проходить в Москве, на Хамовническом плацу, куда танк перегнали с завода «Красный пролетарий» по Крымскому мосту, но не современному, конечно, а старому, постройки 1872 года. Перегон танка по мосту - а шел он со скоростью примерно 60 км/ч - стал зрелищем впечатляющим, хоть длился недолго. Заслышав грохот, прохожие останавливались и таращили глаза. Времена были наивные: опытная боевая машина шла по городу среди дня, никакой дополнительной охраны, кроме двух милиционеров, запрещавших другое движение, когда танк приближался к мосту на своем недлинном пути от завода до Хамовнического плаца и обратно.
ПТ-1 в то время не имел за рубежом аналогов и, хотя был далеко недоработанным, при усовершенствовании мог стать полезной нашей армии боевой машиной. Изготовил танк ПТ-1 «Красный пролетарий», правда, не все его узлы. Завод получил элементы вооружения, оптические приборы и авиационный двигатель. А бронекорпус сделали на Ижорском заводе. «Красный пролетарий» уже тогда был мощным предприятием и, хотя до ПТ-1 танков никогда не изготовлял, справился с этой, в общем, непростой задачей. В процессе испытаний производственных дефектов практически не выявили. В тот хмурый осенний день плац покрывали льдистые корки еще неплотно легшего снега. А поскольку сам он был не очень-то ровным, в некоторых местах стояли довольно большие лужи. Грязища была, можно сказать, полноценной - как раз для испытаний танка.
Всевозможное начальство сбилось в довольно тесную группу рядом с большой лужей, видимо, надеясь, что автомобили начальства еще более высокого, прежде всего самого Сталина, остановятся перед ней. Возможно, так и случилось бы, будь плац сухим или по-летнему пыльным. Однако машина Сталина остановилась непосредственно у объекта демонстрации. Сталин - в меховой дохе чуть ниже колен, на голове глубоко нахлобученная меховая шапка с модными в те годы непомерно длинными, чуть не до пояса ушами. Цвет лица и кожи рук без перчаток был у него темно-коричневый, можно сказать, с зеленоватым оттенком. Лицо имело множество следов перенесенной когда-то оспы. Глаза - насквозь черные. Детали внешности я разглядел позже, оказавшись рядом.
Чуть хрипловатым голосом, тихо, словно опасаясь простуды, он спросил, где докладчик (точно я вопроса не слышал, поскольку стоял далеко). Начальство побоялось, что Сталин задаст вопросы, на которые ни один высокопоставленный военный не сможет ответить, и кто-то из группы, несомненно, знавший мою роль в создании ПТ-1, громко выкрикнул: «Астрова сюда, для доклада!» Душа моя дошла почти до пяток, да и промерз я основательно - состояние не из приятных. Все же бодрой рысью припустил к «хозяину» страны. Следуя в полушаге сзади, я, по возможности, четко, и, главное, громко (нас всех предупредили, что слух у него плохой) стал докладывать, а вернее, просто рассказывать об особенностях нового танка. Несмотря на фязь под ногами, Сталин обошел машину, внимательно слушая меня. Потом задал несколько вопросов, которые показывали, что он неплохо знает танки, и заметил, что в ПТ-1 многое необычно. В частности, поинтересовался размерами и объемом башни. Отвечая, я сказал, что 45-мм пушка для такой машины слаба, ее следует заменить более мощной. Вновь последовали вопросы: «Какого калибра, когда сделаете?» Ответил: «Товарищ Сталин, установим, как только будет нужная пушка, сами мы пушек делать не умеем». Спросил, что за двигатель у танка, и, услышав, что авиационный, бензиновый, пробормотал с тенью неудовольствия: «А ведь обещали машину на дизеле». Осмотр занял всего пять - восемь минут. Слегка кивнув, то ли охраннику, неотступно его сопровождавшему, то ли мне, Сталин тихо, как бы про себя, буркнул: «Продолжайте!» и, не сделав никакого знака, даже не кивнув никому из начальников, уехал. Нас, «инженерию», он тоже не удостоил ни прощальным кивком, ни жестом.
Однако, учитывая опыт предыдущих показов, начальство, не посмевшее и на полшага приблизиться к танку во время его осмотра, поздравило меня с успехом».
В процессе испытаний, продолжавшихся до
декабря 1933 года, были установлены следующие характеристики ПТ-1: на гусеничном ходу скорость по
шоссе 62 км/ч, на колесном — 90 км/ч (по другим данным – 58 км/ч?), скорость на
плаву 11,5 км/ч, по другим сведениям, очевидно ошибочным – 6 км/ч; запас хода
танка по шоссе при движении на гусеницах составил 180–185 км (183 км), на
колесах до 200–250 (230 км) км. ПТ-1 уверенно преодолел полосу препятствия, по ходовым качествам
почти не отличаясь от БТ. Однако при испытаниях на воде у ПТ-1 возникали большие проблемы.
Выяснилось, что после вхождения в воду, из-за особенностей охлаждения проточной
водой, двигатель вначале переохлаждается, а затем перегревается, так как
циркуляция забортной воды в колодцах была недостаточной. Система
управления на плаву остановкой или реверсированием одного из винтов в тоннелях
также себя не оправдала, и танк получил возможность маневров на воде только с
введением двух водоходных рулей жалюзийного типа с временным приводом к ним от
рулевой колонки танка при помощи внешних тяг. (Рис.7)

Рис.7 – ПТ-1
с
внешними тягами управления рулем.
Однако в целом ПТ-1 был признан перспективной машиной. В трех постановлениях СТО в апреле, июне и августе 1933 года указывались конкретные сроки создания опытных образцов танка ПТ-1, причем как в плавающем, так и в неплавающем вариантах. В постановлении «О системе танкового вооружения РККА» от 13 августа 1933 года, в частности, говорилось: «С 1934 г. начать постепенное внедрение в производство в качестве оперативного танка плавающей машины ПТ-1 с таким расчетом, чтобы с 1936 г. полностью перейти на развернутое производство этого танка на базе и за счет производства танка БТ».